EasyManua.ls Logo

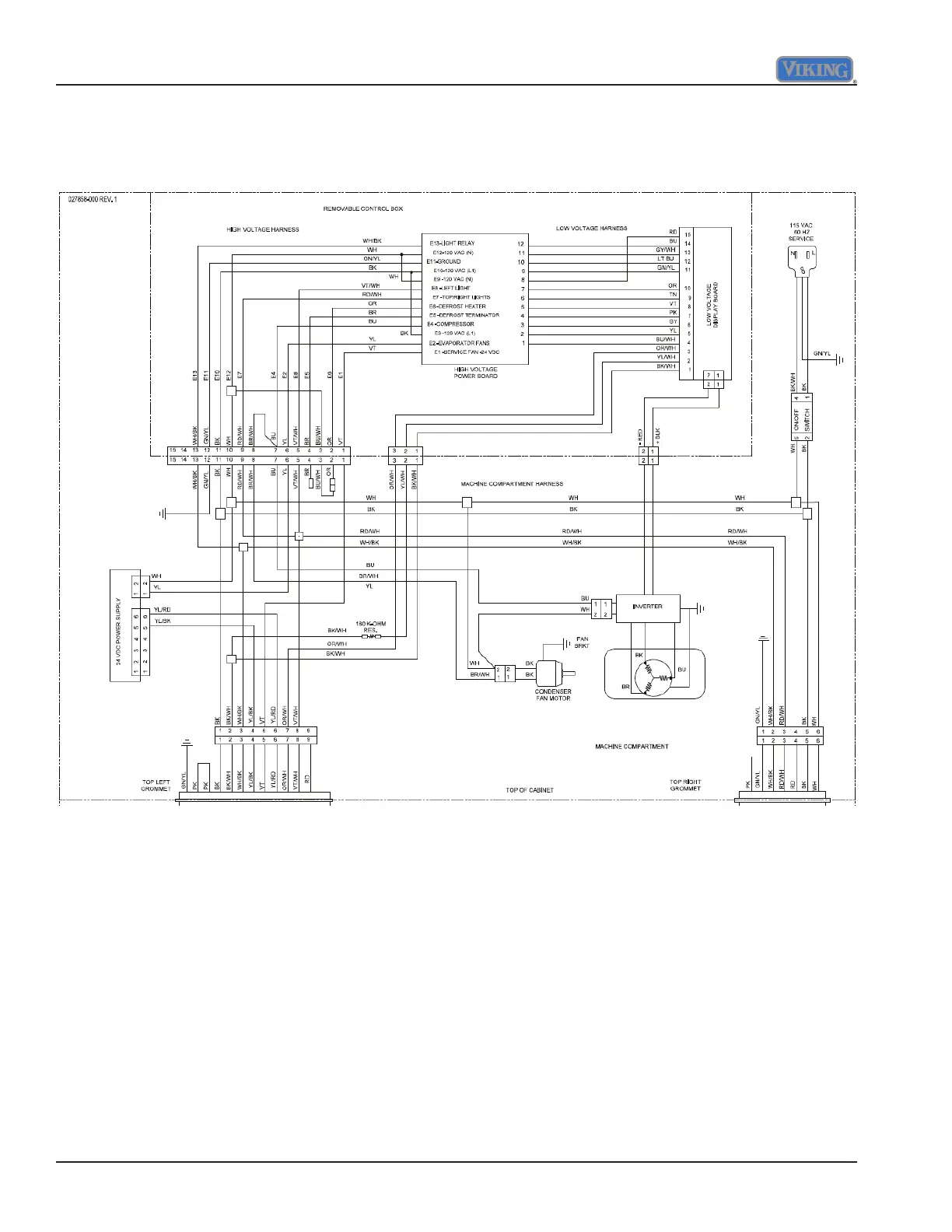
Viking VCRB5301 - Wiring Diagrams; Wiring 30 All Refrigerator; 2012 Viking Preferred Service

Viking VCRB5301
47 pages
Print Icon
To Next Page IconTo Next Page
To Next Page IconTo Next Page
To Previous Page IconTo Previous Page
To Previous Page IconTo Previous Page
Loading...
Wiring Diagrams
46 ©2012 Viking Preferred Service
Wiring 36" All Refrigerator Page 1

Table of Contents

Related product manuals