EasyManua.ls Logo

Viking VCRB5301 - Wiring 30 All Refrigerator; Wiring 36 All Refrigerator Page 1

Viking VCRB5301
47 pages
Print Icon
To Previous Page IconTo Previous Page
To Previous Page IconTo Previous Page
Loading...
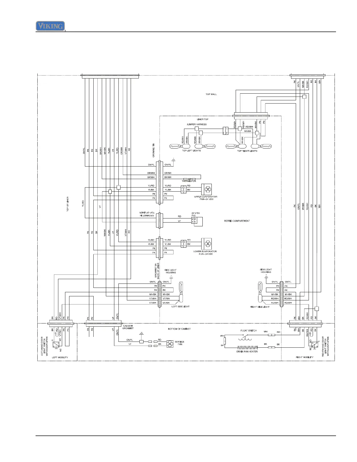
Wiring Diagrams
©2012 Viking Preferred Service 47
Wiring 36" All Refrigerator Page 2

Table of Contents

Related product manuals