EasyManua.ls Logo

Viking VGSO166 - Wiring and Schematics; Wiring Diagram; Wiring Safety Precautions

Viking VGSO166
27 pages
Print Icon
To Previous Page IconTo Previous Page
To Previous Page IconTo Previous Page
Loading...
®
© 2009 Viking Preferred Service
27
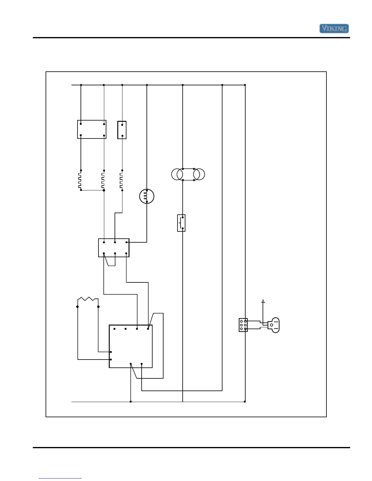
Wiring and Schematics
WIRING DIAGRAM
GAS 36” W. OVEN (VGSO166)
TEMPERATURE
PROBE
SELECTOR
SWITCH
R.H. BAKE
IGNITOR
L.H. BAKE
IGNITOR
BROIL
IGNITOR
BROIL
VALVE
DUAL
BAKE
VALVE
THERMOSTAT
TIMER
CONVECTION
FAN MOTOR
OVEN LIGHT
SWITCH
OVEN LIGHT
OVEN LIGHT
DISCONNECT
BLOCK
WALL PLUG
GRD
BK
BK
BK
BK
BK
BK
W
W
W
W
W
W
W
W
R
R
R
R
R
R
R
R
R
L1
(HOT)
N
(NEUTRAL)
BA
BR
CV
1
2
3
3
P1
P2
P5 P3
P12
P11
P14
P13
WARNING–
CAUTION–
ELECTRICAL GROUNDING INSTRUCTIONS:
THIS APPLIANCE IS EQUIPPED WITH A THREE-PRONG
GROUNDING PLUG FOR YOUR PROTECTION AGAINST SHOCK
HAZARD AND SHOULD BE PLUGGED DIRECTLY INTO A PROPERLY
GROUNDED THREE-PRONG RECEPTACLE. DO NOT CUT OR
REMOVE THE GROUNDING PRONG FROM THE PLUG.
LABEL ALL WIRES PRIOR TO DISCONNECTION WHEN
SERVICING CONTROLS. WIRING ERRORS CAN CAUSE
IMPROPER AND DANGEROUS OPERATION.
VERIFY PROPER OPERATION AFTER SERVICING.
PF030192

Other manuals for Viking VGSO166

Related product manuals