EasyManua.ls Logo

Viper 330V - Page 22

Viper 330V
43 pages
Print Icon
To Next Page IconTo Next Page
To Next Page IconTo Next Page
To Previous Page IconTo Previous Page
To Previous Page IconTo Previous Page
Loading...
20
© 2005 directed electronics, inc.
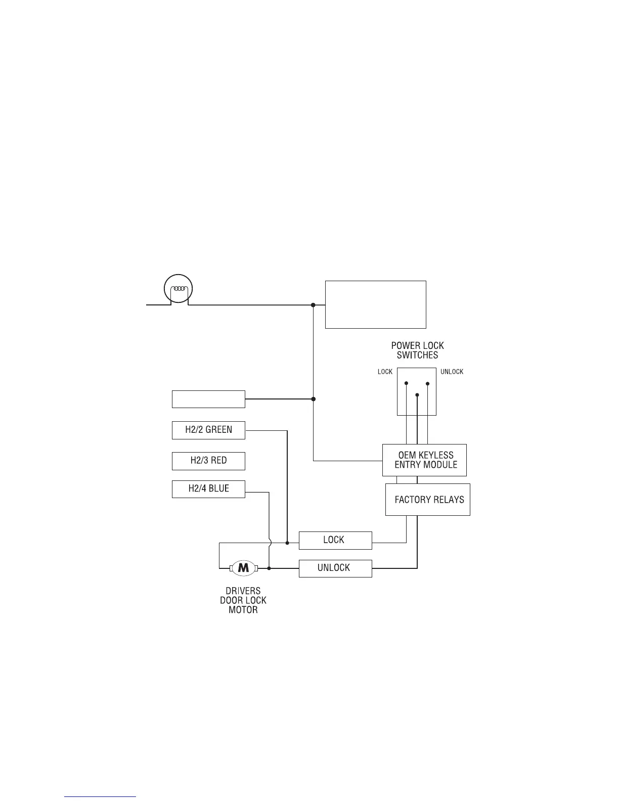
no priority—driver’s door unlock
This type of keyless entry system is common in import vehicles as well as many Jeep
vehicles. When unlocking the doors with the transmitter all doors unlock at the same
time. It is recommended to use H2/7 YELLOW/BLACK wire for Disarm Defeat instead
of the H2/3 RED wire. This input wire monitors the factory system light flash output.
Connect this wire to the light flash wire that flashes when the factory transmitter is
used. This may be a status LED, parking lights, reverse lights, etc., depending on the
vehicle type and manufacturer. Do NOT connect this wire to the domelight. This wire
can accept a (+) positive or (-) negative input.
For installation, please refer to the diagram below.
H2/7 YEL/BLK
(NOT USED)
PARKING LIGHT RELAY
OR SWITCH
PARKING LIGHT BULB

Related product manuals