EasyManua.ls Logo

Vmac S700078 - Installing the Coalescing Filter; Filter Specification and Sealing; Filter Tightening and Oil Level Check

Vmac S700078
36 pages
Print Icon
To Next Page IconTo Next Page
To Next Page IconTo Next Page
To Previous Page IconTo Previous Page
To Previous Page IconTo Previous Page
Loading...
VMAC Vehicle Mounted Air Compressors
Toll Free: 1-888-241-2289 Local: 250-740-3200
Fax: 1-250-740-3201
24
Make sure the new filter is a VMAC filter, part # 3600079.
This is a high pressure filter. Use of other filters not rated to
the required pressure may cause the filter to rupture.
2.11.2 Apply a thin coating of compressor oil to the coalescing filter
sealing gasket and coat the end of the threaded nipple, as
there is also a O-ring inside the coalescing filter.
2.11.3 Spin the filter onto the threaded nipple until the gasket
contacts the sealing surface of the manifold block.
2.11.4 Tighten the filter an additional 3/4 to 1 turn to seat the sealing
gasket.
Never over-tighten the filter, as this may damage the seal or
filter.
2.11.5 Check the oil level following the oil level checking procedure
in Section 2.4.
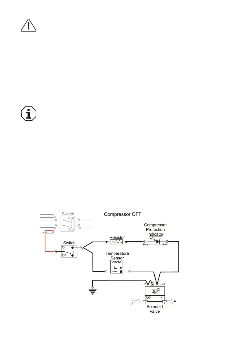
2.12 Electrical
The air compressor electrical system receives power from the main
engine RUN-STOP switch, on the control panel, when the switch is
in the RUN position. The compressor switch is turned to ON to start
the compressor producing high pressure air. If the compressors oil
temperature goes above 290°F (143°C) the thermostat will turn OFF
the compressor and illuminate the ‘Compressor Protection’ indicator.

Related product manuals