EasyManua.ls Logo

Volvo ECS - Page 130

Volvo ECS
193 pages
Print Icon
To Next Page IconTo Next Page
To Next Page IconTo Next Page
To Previous Page IconTo Previous Page
To Previous Page IconTo Previous Page
Loading...
130
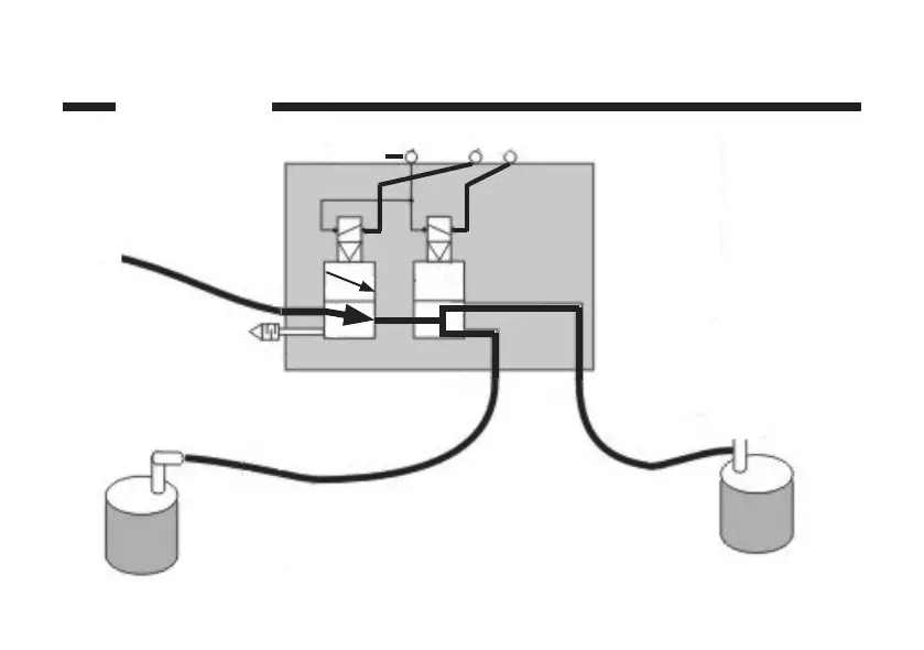
ECS Gen. 2
+24V
22
21
3
1
4 4
2
1

Related product manuals