EasyManua.ls Logo

Volvo ECS - Page 134

Volvo ECS
193 pages
Print Icon
To Next Page IconTo Next Page
To Next Page IconTo Next Page
To Previous Page IconTo Previous Page
To Previous Page IconTo Previous Page
Loading...
134
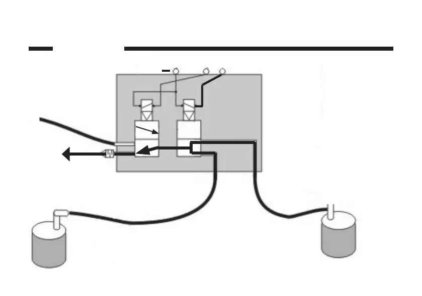
ECS Gen. 2
2221
3
1
4 4 21
+24 V

Related product manuals