EasyManua.ls Logo

Vortex IR610 Series - Standard Wiring Diagram

Vortex IR610 Series
179 pages
Print Icon
To Next Page IconTo Next Page
To Next Page IconTo Next Page
To Previous Page IconTo Previous Page
To Previous Page IconTo Previous Page
Loading...
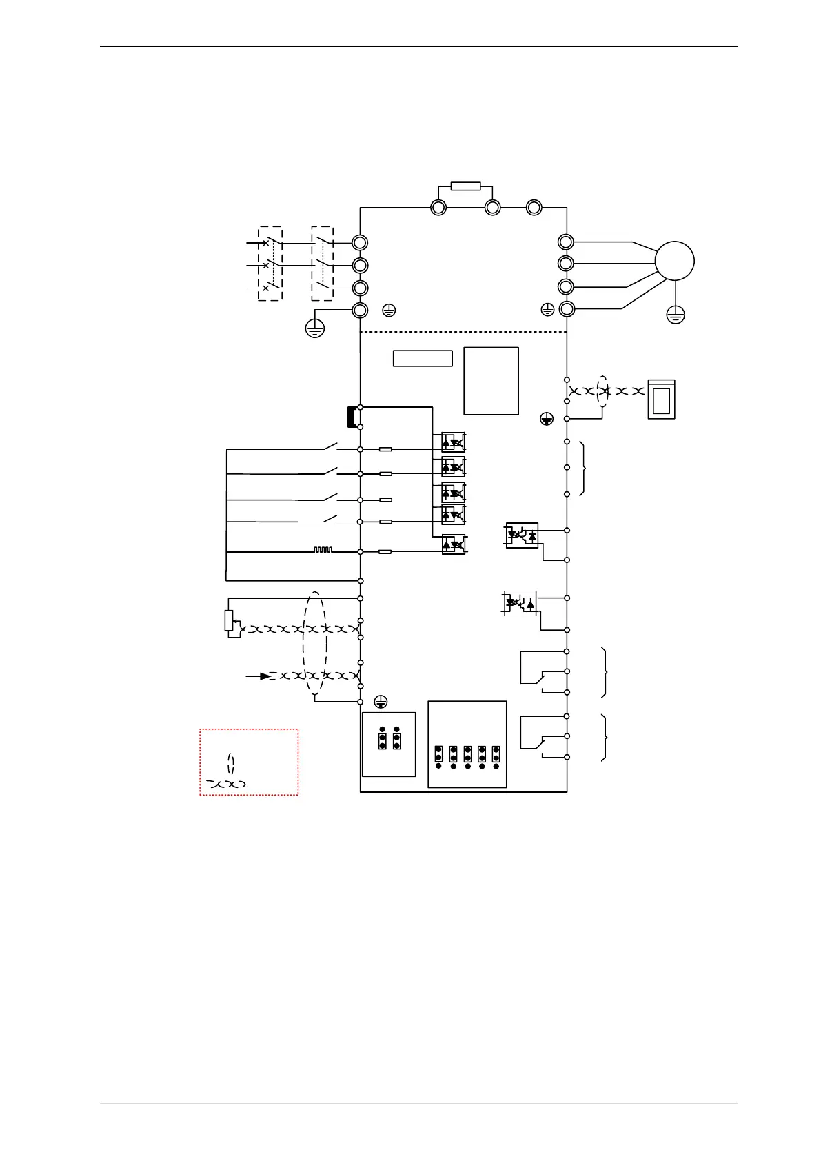
IR610 high performance vector control frequency inverter user manual Chapter3 Product appearance and wiring
- 23-
3.2Wiring
3.2.1 Standard wiring diagram
Braking Resistor
M
U
V
W
R/L1
S/L2
T/L3
3 phase AC input
DI1
DI2
DI3
DI4
COM
AI1
AI2
GND
485+
485-
RS485 port
AO2
GND
AO1AO2 output:
010V/020mA
DO1
COM
T1A
T1C
T1B
Relay
output 2
Digital input 1
Digital input 2
Digital input 3
Digital input 4
+10V
Open collector
output1
PLC
+24V
FWD
REV
-
+
PB
HDI(DI5)
High speed
pluse
terminal
HDO
COM
Open collector
output2
High speed pluse
output
IO
communi
cation
extension
card
PG card
AO1
380V~ 50/60Hz
Analog input
010V/020mA
15k
T2A
T2B
T2C
Relay
output 1
485
OFF
ON
AI1
V
AI2
V
I I I I
AO
1
V
AO
2
V
ON ON
OFF OFF
Ground
Connector slip
GND
Twisted
cable
shield
Note
:
breaker
contactor
Main circuit
Control circuit
PE1
PE2
PC
Diagram 3-10standard wiring