EasyManua.ls Logo

Vyaire MicroRPM - Calibration

Vyaire MicroRPM
143 pages
Print Icon
To Next Page IconTo Next Page
To Next Page IconTo Next Page
To Previous Page IconTo Previous Page
To Previous Page IconTo Previous Page
Loading...
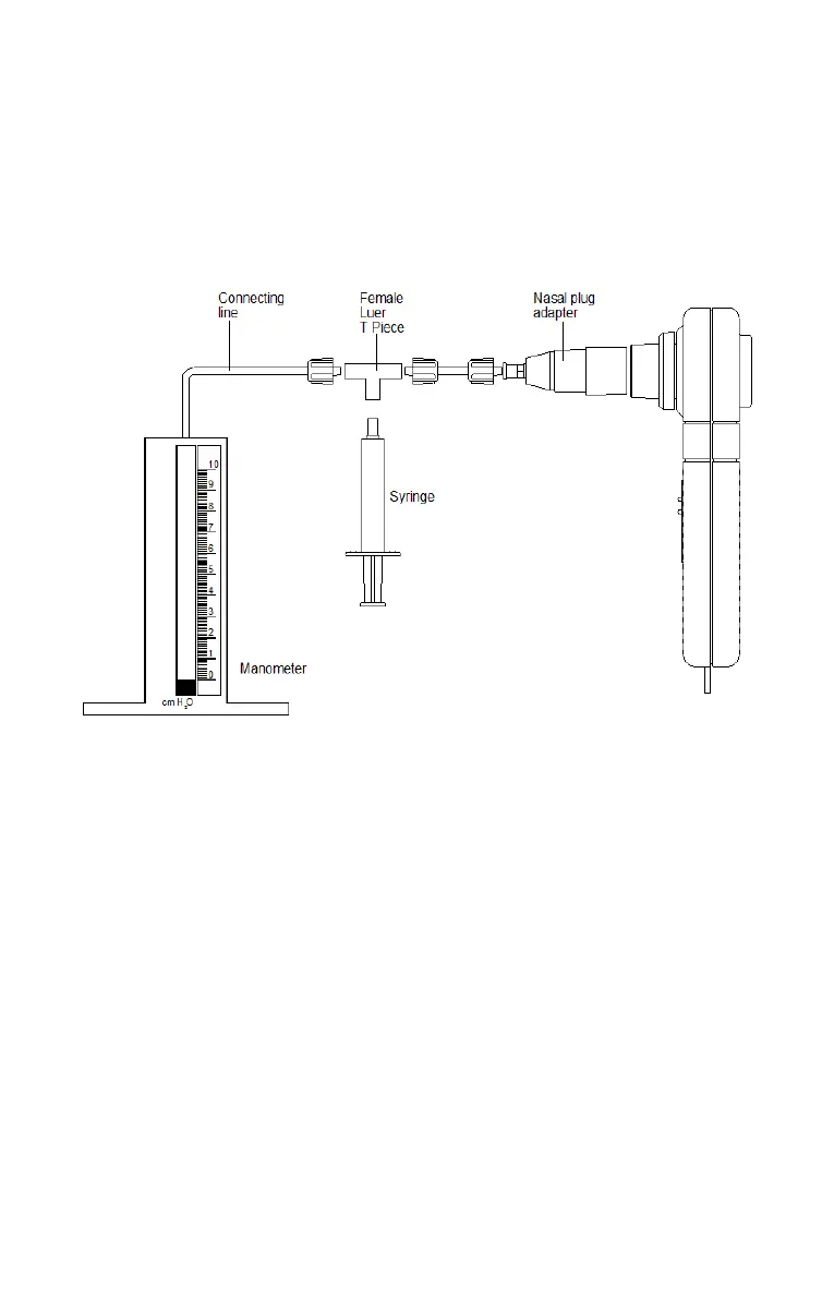
Calibration
Calibration is factory set and should remain stable indenitely.
However, calibration may be checked by connecting the device to a
manometer as shown below:
Turn the respiratory pressure meter on to the SNIP position.
Very slowly ll the syringe until a negative pressure of between 200
and 300 cm is obtained on the manometer.
Check that the reading on the respiratory pressure meter is within
3% of the manometer reading.
If adjustment is required then the following procedure must be
followed.
45

Table of Contents

Related product manuals