EasyManua.ls Logo

WABCO Easy-Stop Basic - 4 S;3 M Trailer ABS Configuration Installation Diagram

WABCO Easy-Stop Basic
48 pages
Print Icon
To Next Page IconTo Next Page
To Next Page IconTo Next Page
To Previous Page IconTo Previous Page
To Previous Page IconTo Previous Page
Loading...
Page 17
Section 4
System Configurations
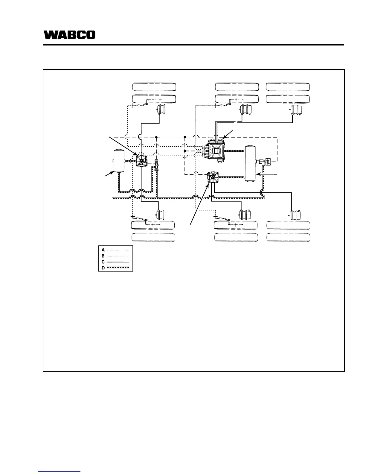
4S/3M Trailer ABS Configuration Installation Diagram
Typical Application:
Tandem with Lift Axle
Tri-Axle Semi-Trailer
Semi-Trailer with Lift Axle
Full Trailer (Drawbar Trailers)
NOTE
Sensors may be installed on either axle,
depending upon suspension and other
vehicle characteristics.
Figure 4.7
A Service/Control Lines
B Sensor Cables
C Service to Brake Lines (Delivery Lines)
D Air Supply/Emergency Lines
1 ECU/Valve Assembly (YE)
2 External Valve (RED)
3 External Valve (BU)
4 Air Tanks
1003293e
BU1
BU2
YE2
YE1
AIR TANK
ECU/VALVE
ASSEMBLY (YE)
AIR TANK
EXTERNAL
VALVE (BU)
EXTERNAL
VALVE (RED)
A Service/Control Lines
B Sensor Cables
C Service to Brake Lines (Delivery Lines)
D Air Supply/Emergency Lines

Related product manuals