EasyManua.ls Logo

Wallgate Thrii SS - Page 9

Wallgate Thrii SS
27 pages
Print Icon
To Next Page IconTo Next Page
To Next Page IconTo Next Page
To Previous Page IconTo Previous Page
To Previous Page IconTo Previous Page
Loading...
9 | P a g e
Wallgate Thrii®
PRODUCT MANUAL Issue 5_3
ORIGINAL INSTRUCTIONS
© 2013 Wallgate Ltd.
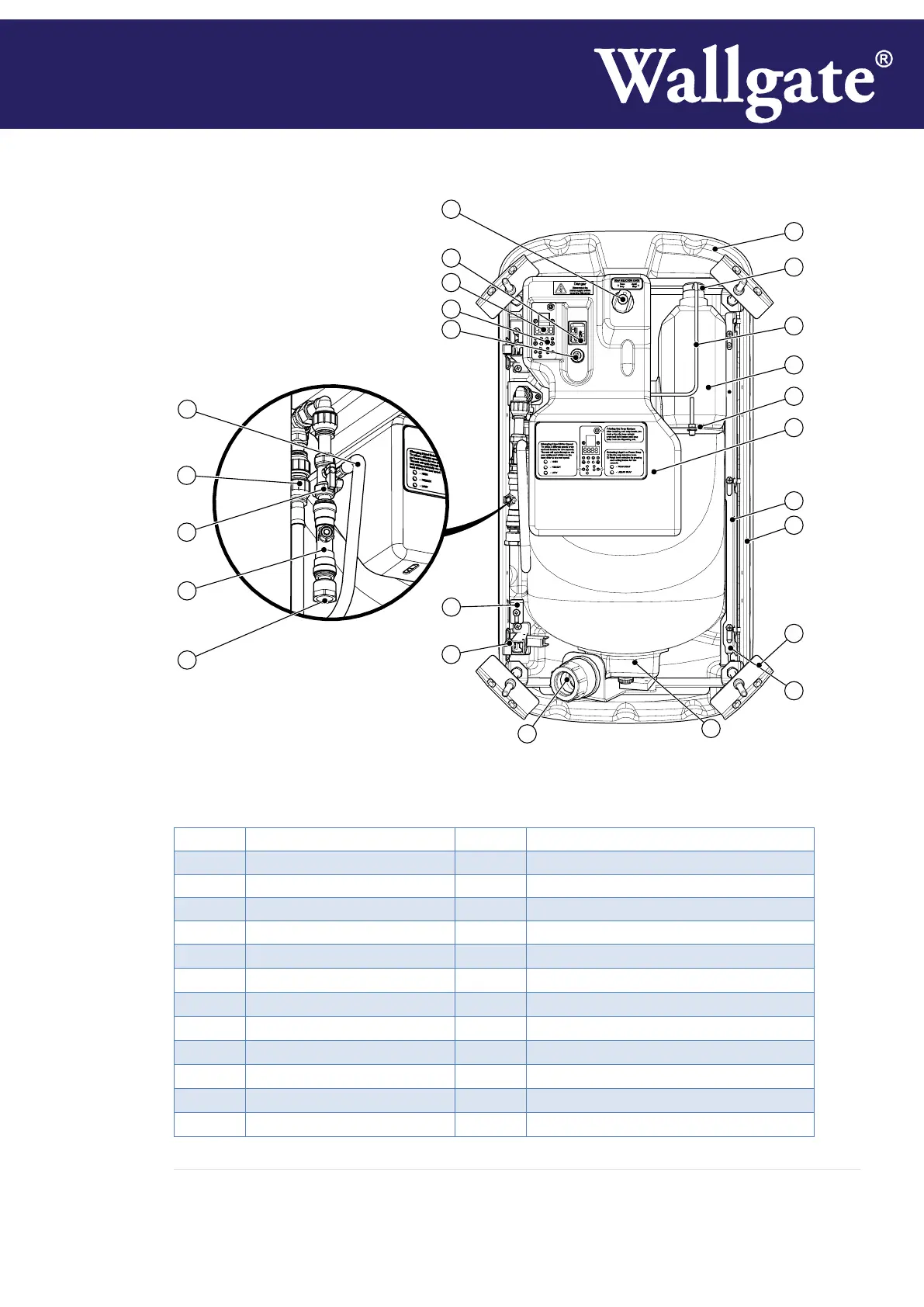
Fig.2 Fascia Rear View
Item
No.
Description
Item
No.
Description
1
Fascia
13
Hinge
2
Container Cap
14
Hinge side lock plate
3
Soap Hose
15
Water (inlet) adapter
4
Soap Container
16
Double Check Valve
5
Container Holder
17
Isolation Tap
6
Engine Cover
18
Water Connection (frame)
7
Locking Bar
19
Engine water supply hose
8
Mounting Frame
20
Engine Cover fixing
9
Clamp bracket
21
Control
10
Fascia Lock
22
LCD Control (see fig. 18)
11
Drain
23
Mains Power socket
12
Waste Outlet
24
Soap Selection Knob
10
9
11
12
13
14
8
7
6
5
4
3
2
1
16
15
19
20
17
18
22
21
23
24