EasyManua.ls Logo

Walther MPP-03-PRO - Raster-Needle Sensor; Wiring Scheme for Needle Sensor; Wiring Scheme for Pressure Sensor; Wiring Scheme of Magnetic Valve

Walther MPP-03-PRO
22 pages
Print Icon
To Next Page IconTo Next Page
To Next Page IconTo Next Page
To Previous Page IconTo Previous Page
To Previous Page IconTo Previous Page
Loading...
Rev. 1.6
Assembly Instructions - Micro Point Pulse Valve MPP-03-PRO
Page 9 of 22
Walther Systemtechnik GmbH D 76726 Germersheim
Telefon: +49 (0)7274-7022-0 Telefax: +49 (0)7274-7022-91
http://www.walther-2000.de info@walther-2000.de
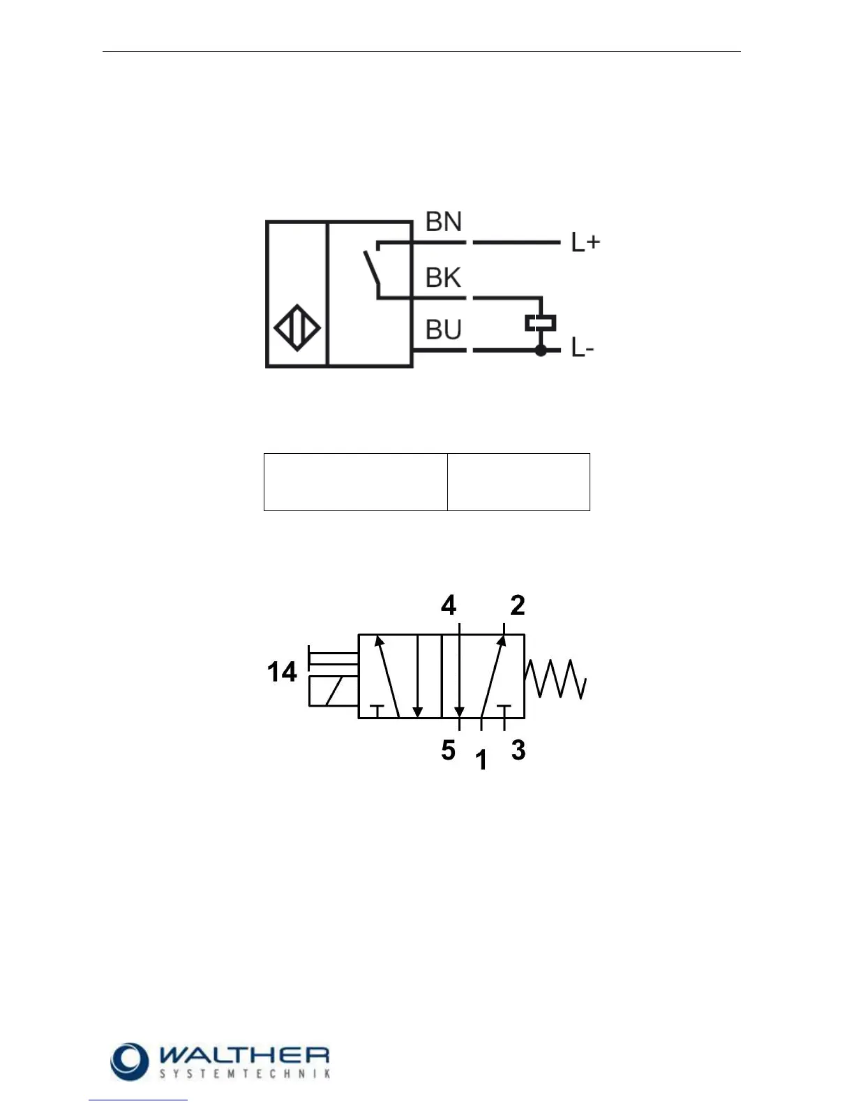
5.1 Raster-Needle Sensor
Optionally, you can use a raster-needle lock with a pre-installed, inductive proximity switch. It will release a
signal when the needle piston with the needle is open. This will help you in digitally monitoring the status
„nozzle open“.
5.1.1 Wiring Scheme for Needle Sensor
5.2 Wiring Scheme for Pressure Sensor
Pin assignment
white out / ground
brown 24 VDC
5.3 Wiring Scheme of Magnetic Valve
Operating voltage 24 V DC for control unit
(brown)
(black)
(blue)

Related product manuals