EasyManua.ls Logo

Wartsila 46F - External compressed air system

Wartsila 46F
208 pages
Print Icon
To Next Page IconTo Next Page
To Next Page IconTo Next Page
To Previous Page IconTo Previous Page
To Previous Page IconTo Previous Page
Loading...
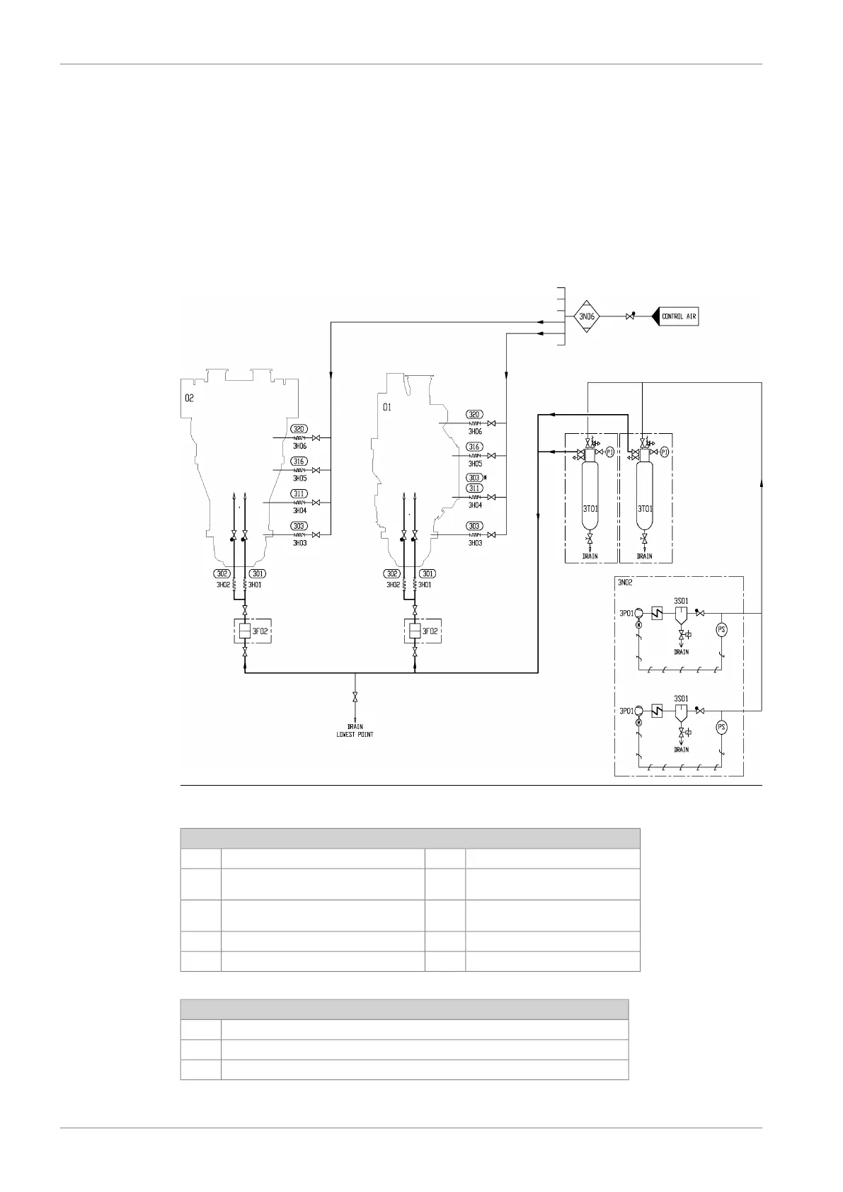
8.3 External compressed air system
The design of the starting air system is partly determined by classification regulations. Most
classification societies require that the total capacity is divided into two equally sized starting
air receivers and starting air compressors. The requirements concerning multiple engine
installations can be subject to special consideration by the classification society.
The starting air pipes should always be slightly inclined and equipped with manual or automatic
draining at the lowest points.
Instrument air to safety and control devices must be treated in an air dryer.
Fig 8-3 Example of external compressed air system (DAAF432964)
System components
Air dryer unit3N06Diesel engine WV46F01
Compressor (Starting air compressor
unit)
3P01Diesel engine WV46F02
Separator (Starting air compressor
unit)
3S01Flexible pipe connection3H0X
Starting air vessel3T01Air filter (starting air inlet)3F02
Starting air compressor unit3N02
Pipe connections
Starting air inlet301
Control air inlet302
Driving air to oil mist detector303
8-6 DAAB605814
Wärtsilä 46F Product Guide8. Compressed Air System

Table of Contents

Related product manuals