EasyManua.ls Logo

Wartsila 46F - Page 92

Wartsila 46F
208 pages
Print Icon
To Next Page IconTo Next Page
To Next Page IconTo Next Page
To Previous Page IconTo Previous Page
To Previous Page IconTo Previous Page
Loading...
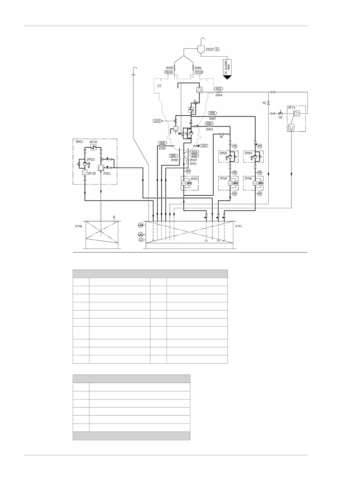
Fig 7-4 External lubricating oil system, engine driven & stand by pumps (DAAF423924)
System components:
Pre-lubricating oil pump2P02Diesel engine Wärtsilä L46F01
Separator pump (Separator unit)2P03Pressure control valve02
Stand-by pump2P04Flexible pipe connections2H0X
Separator (Separator unit)2S01Heater (separator unit)2E02
Condensate trap2S02Suction strainer (main lube pump)2F01
System oil tank2T01Suction strainer (separator unit)2F03
Sludge tank2T06Suction strainer (prelube oil
pump)
2F04
Suction strainer2F06
Automatic filter (LO back flush)2F13
Separator unit2N01
Pipe connections:
Lubricating oil outlet
*)
202
Lube oil to engine driven pump203
Lube oil from priming pump206
Lubricating oil from electric driven pump208
Lube oil sample219
Flushing oil from internal automatic filter223
*)
Two outlets in each end are available
7-6 DAAB605814
Wärtsilä 46F Product Guide7. Lubricating Oil System

Table of Contents

Related product manuals