EasyManua.ls Logo

Wayne EH - REFERENCE FIGURES; Oil Pump Feature Identification; Blower Wheel Spacing

Wayne EH
40 pages
Print Icon
To Next Page IconTo Next Page
To Next Page IconTo Next Page
To Previous Page IconTo Previous Page
To Previous Page IconTo Previous Page
Loading...
36
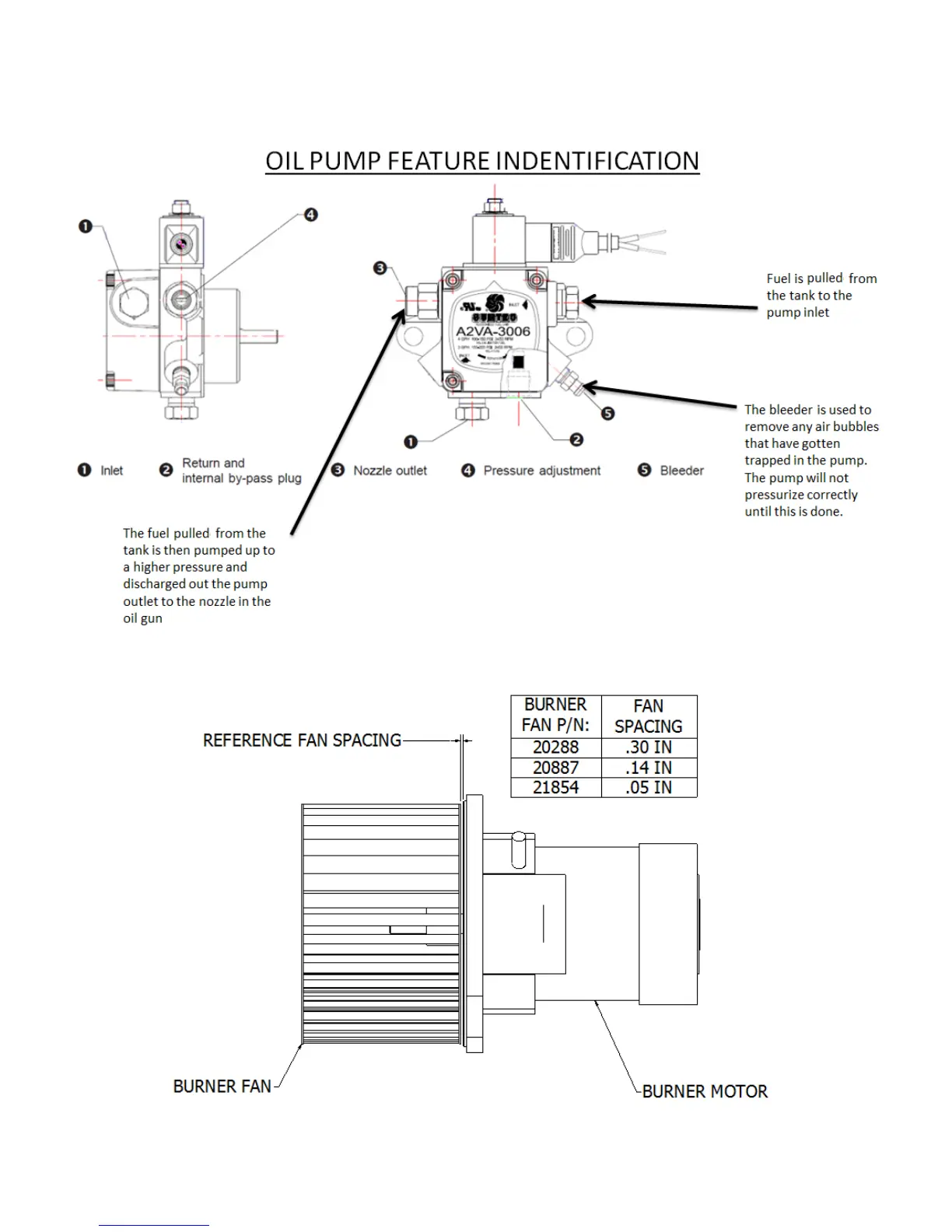
REFERENCE FIGURES
Figure 25- Pump Feature Identification
Figure 26 Blower Wheel Spacing

Related product manuals