EasyManua.ls Logo

wayscral EVERYWAY E-300 - Reglarea Opritorilor; Reglarea Tensiunii Cablului; Reglarea Lanțului

wayscral EVERYWAY E-300
Print Icon
To Next Page IconTo Next Page
To Next Page IconTo Next Page
To Previous Page IconTo Previous Page
To Previous Page IconTo Previous Page
Loading...
271
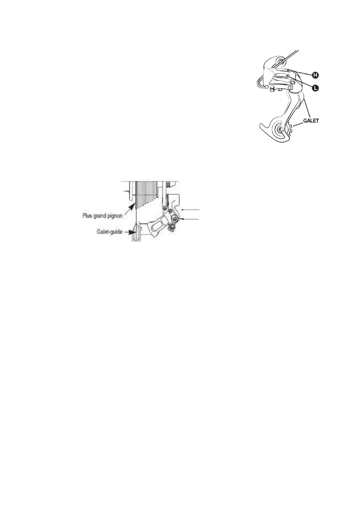
1. Reglarea opritorilor
Cursa schimbătorului de viteze este reglată cu ajutorul șuruburilor H și L.
Șurubul L permite reglarea opritorului superior (partea pinionului mare).
Prin slăbirea șurubului L, lanțul este poziționat mai departe în exteriorul
pinionului mare.
Șurubul H permite reglarea opritorului inferior (partea pinionului mic).
Prin slăbirea șurubului H, lanțul este poziționat mai departe în exteriorul
pinionului mic.
Aceste manipulări se efectuează prin sferturi de tură. La fiecare reglare,
trebuie realizați o aliniere perfectă între pinion, lanț și roata
schimbătorului spate.
Schemă schimbător spate
Șurub de reglare H
Șurub de reglare L
2. Reglarea tensiunii cablului
Pentru a regla schimbarea corectă a pinionului, utilizați cheia de pe schimbătorul spate sau maneta.
Această cheie permite reglarea tensiunii cablului schimbătorului de viteze și permite poziționarea
corectă a schimbătorului, în funcție de viteza dorită.
VI. Reglarea lanțului
Bicicleta dvs. este prevăzută un schimbător spate extern, lanțul este întins automat.
Pentru a schimba lanțul
Noile lanțuri sunt vândute cu prea multe ochiuri, primul pas este -l reduceți la lungimea corectă. Cea
mai sigură metodă este numărați numărul de ochiuri din lanțul vechi pentru a-l ajusta pe cel nou.
Pentru a demonta vechiul lanț, este suficient să îl reduceți (scoateți un ochi).
Odată ce acesta este scos, trebuie -l montați pe cel nou. Pentru a face acest lucru, trebuie -l treceți
în jurul butucului pedalier și al pinionului spate, astfel încât angreneze corespunzător celelalte
elemente ale transmisiei. Pentru a închide lanțul, recomandăm utilizați o cuplă rapidă. Aceasta
servește ca legătură babă, care va fi introdusă între două ochiuri moș. De asemenea, cupla rapidă va
permite demontarea mai ușoară a lanțului pentru curățare.
Pentru a verifica dacă lungimea lanțului este corectă, acesta trebuie pus pe pinionul mic. În această
configurație, linia virtuală trasată între butucul roții din spate și axul rolei inferioare a schimbătorului
de viteze trebuie să fie verticală.

Table of Contents

Related product manuals