EasyManua.ls Logo

WEICHAI WD10 - Cylinder Cover Assembly; Disassembly and Assembly of Cylinder Cover Assembly

WEICHAI WD10
163 pages
Print Icon
To Next Page IconTo Next Page
To Next Page IconTo Next Page
To Previous Page IconTo Previous Page
To Previous Page IconTo Previous Page
Loading...
Service Manual for WD10 Diesel Engine
36
42 Cylinder Cover Assembly
421 Disassembly and Assembly of Cylinder Cover Assembly
4211 Exploded View of Cylinder Cover Assembly
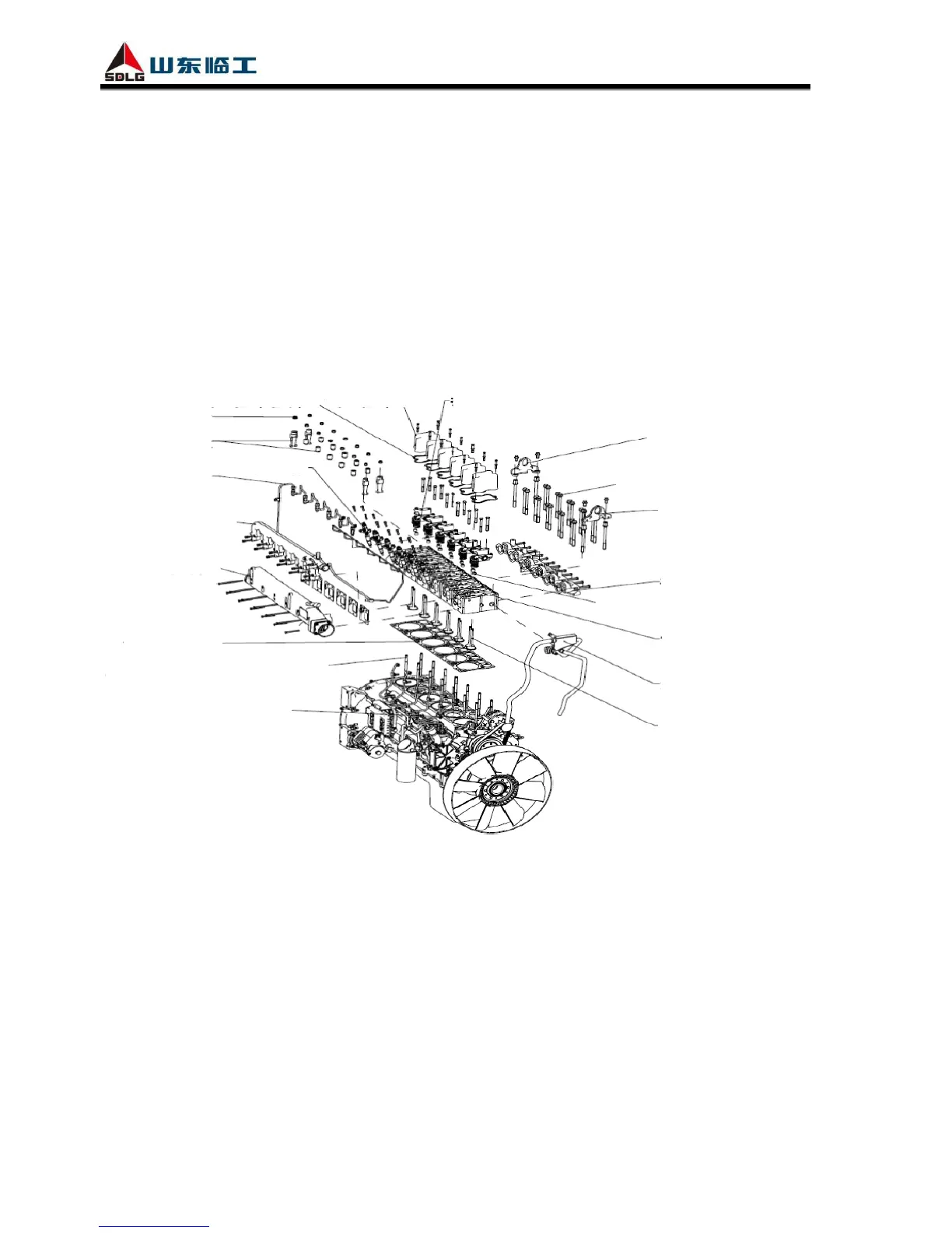
Cylinder cover is located on top of cylinder block, combustion chamber is jointly formed by
cylinder cover and piston head. Parts that connected with cylinder cover are intake pipe, exhaust
pipe, water outlet pipe, EVB oil pipe, injector, cylinder cover shield, oil-gas separator, cylinder
cover gaskets and parts of valve mechanism. As shown in Fig. 4-2
Intake pipe
Nut
Valve
Exhaust pipe
Water outlet pipe
Cylinder
cover shield
Cylinder cover shield gasket
Cylinder cover
Injector
Clamping
block
EVB oil pipe
Cylinder
cover gasket
Cylinder cover auxiliary bolt
Cylinder block
Rocker seat, rocker and valve springs
Cylinder cover main bolt
Oil-gas separator
Valve rod sealing cartridge
Front hanger plate
Rear hanger plate
Fig. 4-2 Exploded view of cylinder cover assembly
4212 Steps to Disassemble Cylinder Cover Assembly
(1) Remove exhaust pipe, refer to disassembly of air intake and exhaust system for details;
(2) Remove intake pipe, refer to disassembly of air intake and exhaust system for details;
(3) Remove oil-gas separator;
(4) Remove water outlet pipe;
(5) Remove front and rear hanger plates;

Table of Contents

Other manuals for WEICHAI WD10

Related product manuals