EasyManua.ls Logo

WEICHAI WD10 - Disassembly, Inspection, Maintenance and Assembly of Hanger Plates

WEICHAI WD10
163 pages
Print Icon
To Next Page IconTo Next Page
To Next Page IconTo Next Page
To Previous Page IconTo Previous Page
To Previous Page IconTo Previous Page
Loading...
Service Manual for WD10 Diesel Engine
42
4244 Steps to Assemble Oil-Gas Separator
Assembling steps are contrary to disassembling ones. Do not mix up the rubber hoses and hoses
joints (refer to Fig. 4-5), connect each hose to the engine properly.
425 Disassembly, Inspection, Maintenance and Assembly of Hanger Plates
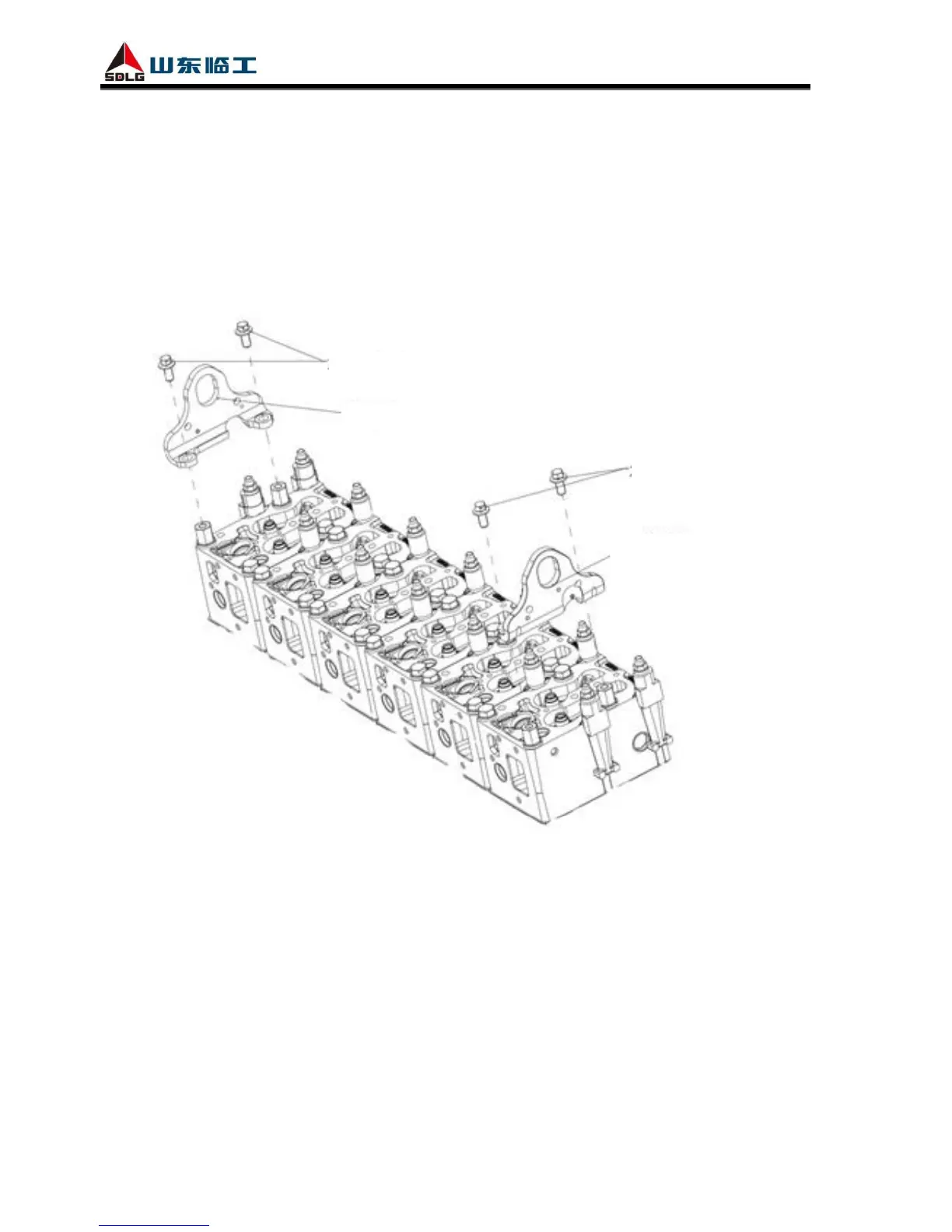
4251 Exploded View of Hanger Plates
Rear hanger plate
Hexagon bolt
Front hanger plate
Hexagon bolt
Fig. 4-6 Exploded view of lifting eye
4252 Steps to Disassemble Hanger Plates
Hanger plates are fixed on cylinder cover with bolts, used to hang the engine. Firstly remove the
parts fixed on the plate, such as oil-gas separator, and then remove the hexagon bolts orderly, take
down the plate.
4253 Inspection and Maintenance of Hanger Plates
Check whether there is crack or big distortion on hanger plates, check whether the hexagon bolts
are in good condition. Replace the damaged parts to avoid accidents.

Table of Contents

Other manuals for WEICHAI WD10

Related product manuals