EasyManua.ls Logo

WEICHAI WD10 - Disassembly, Inspection, Maintenance and Assembly of Gear Housing

WEICHAI WD10
163 pages
Print Icon
To Next Page IconTo Next Page
To Next Page IconTo Next Page
To Previous Page IconTo Previous Page
To Previous Page IconTo Previous Page
Loading...
Service Manual for WD10 Diesel Engine
57
4334 Steps to Assemble Engine Front Cover
Assembling steps are contrary to disassembling ones.
434 Disassembly, Inspection, Maintenance and Assembly of Gear Housing
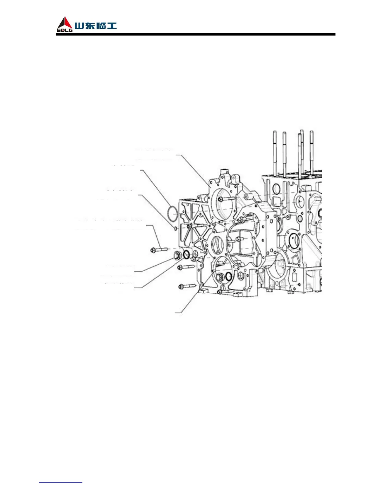
4341 Exploded View of Gear Housing
Hexagon flange bearing
surface toothed bolt
Hexagon plug
Compound gasket
Cylindrical pin
O-shape seal ring
Seal ring
Timing gear housing
Fig. 4-23 Exploded view of gear housing
4342 Steps to Disassemble Gear Housing
(1) Remove fastening bolts of gear housing (key point 1);
(2) Remove the plug and compound gasket;
(3) Remove intermediate gear shaft (refer to section 456);
(4) Remove engine oil pump intermediate gear shaft and engine oil pump intermediate gear bolts
(refer to section 493);
(5) Remove gear housing (key point 3);
(6) Remove seal ring (key point 2).

Table of Contents

Other manuals for WEICHAI WD10

Related product manuals