EasyManua.ls Logo

Weidmüller ACT20X - Page 21

Default Icon
110 pages
Print Icon
To Next Page IconTo Next Page
To Next Page IconTo Next Page
To Previous Page IconTo Previous Page
To Previous Page IconTo Previous Page
Loading...
1066540000/00/02.09
21
R
s
R
p
R
s
R
p
R
D
R
D
14
13
12
11
24
23
22
21
FLASH
CPU
51
44
42
41
52
54
53
43
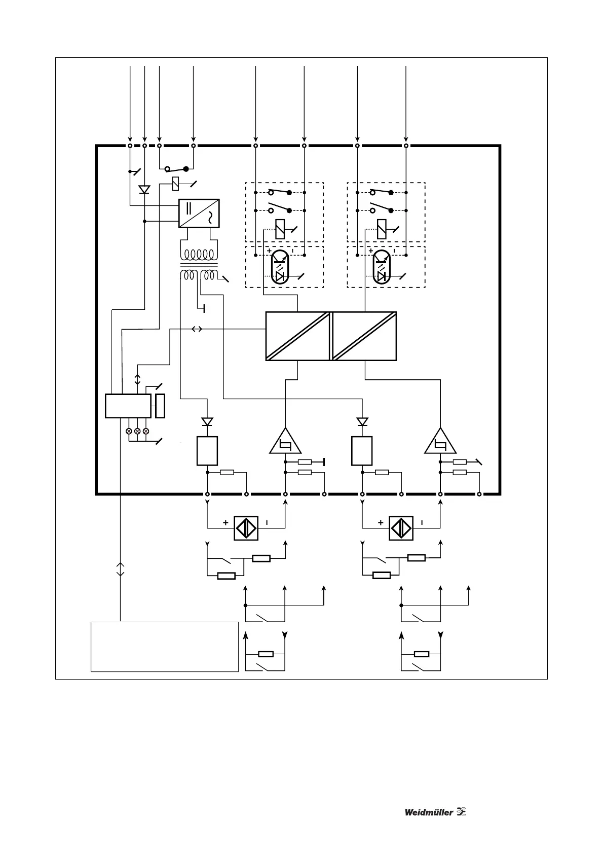
V
NAMUR
V
NAMUR
R
p
= 15 kW
R
s
= 750 W
Status relay N.C.
Status relay N.C.
Device status, Green
Switch,
cable error
Gnd. -
Supply +24 VDC
Ch. 1 status, Yellow/Red
Ch. 2 status, Yellow/Red
NAMUR
sensor
Switch,
cable error
NAMUR
sensor
Channel 1
Channel 2
Opto + or relay N.O.
or relay N.C.
Opto - or relay N.O.
or relay N.C.
Opto + or relay N.O.
or relay N.C.
Opto - or relay N.O.
or relay N.C.
Channel 1
Channel 2
* NC = no connection
* Monitoring of cable breakage is only
possible with the use of resistors Rp
and Rs, or with NAMUR sensors.
CBX200 with Configuration Software
(2) (1)(4)(3)
(2) (1)(4)(3)
Illustration 7-2: Functional Block Diagram