EasyManua.ls Logo

WEISS TS 003 E - Page 21

Default Icon
24 pages
Print Icon
To Next Page IconTo Next Page
To Next Page IconTo Next Page
To Previous Page IconTo Previous Page
To Previous Page IconTo Previous Page
Loading...
21
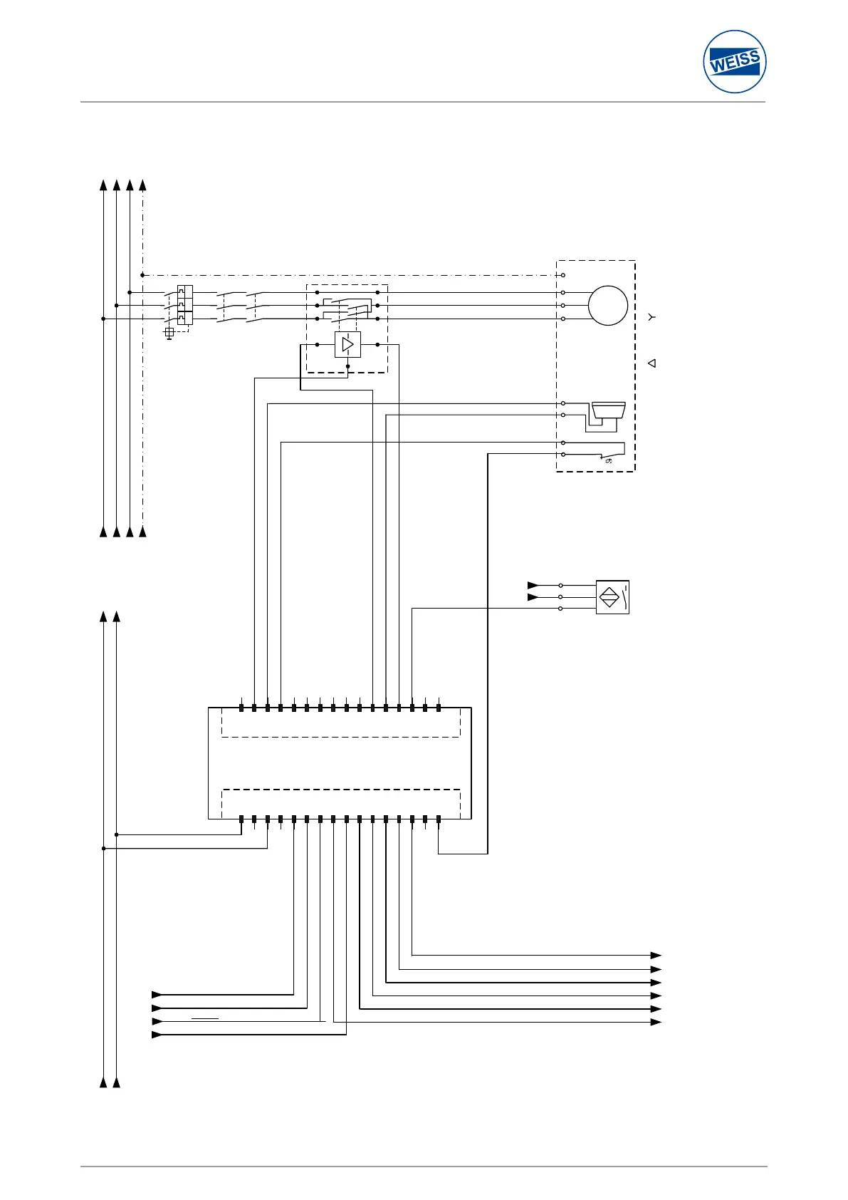
+ 24V
GND
L1
L2
L3
L1
L2
L3
PE
PE
I> I> I>
TS 004
F
G
M
E
D
C
B
A
+
+
+
+
-
-
-
-
K 0.1
K 0.2
-K 1.0
Limit switch
Indexer in position
black
brown
blue
24V
GND
brown
blue
white
white
M
3~
Motor:
See motor name plate
U
V
W
PE
10
H
T
9
8
7
6
5
4
3
2
1
+
+
-
-
230V / 400V
Electronic relay
Two direction (oscillating)
Table in position
Start permitted
Sum of alarms
Alarm: Timeout (overload)
Alarm: Position overrun
Automatic
Stop
Start (edge)
Enable (RESET/STOP)
Direction CW/CCW
1 3 5
2 4 6
A1
A2
B2
Q 1.0
E-Stop
Motor protection
switch
Schematic: two directions (oscillating)
Motor CW
Brake
Motor CCW
Sensor

Related product manuals