EasyManua.ls Logo

Wellsys i16 - i16 PCB Diagram

Wellsys i16
42 pages
Print Icon
To Next Page IconTo Next Page
To Next Page IconTo Next Page
To Previous Page IconTo Previous Page
To Previous Page IconTo Previous Page
Loading...
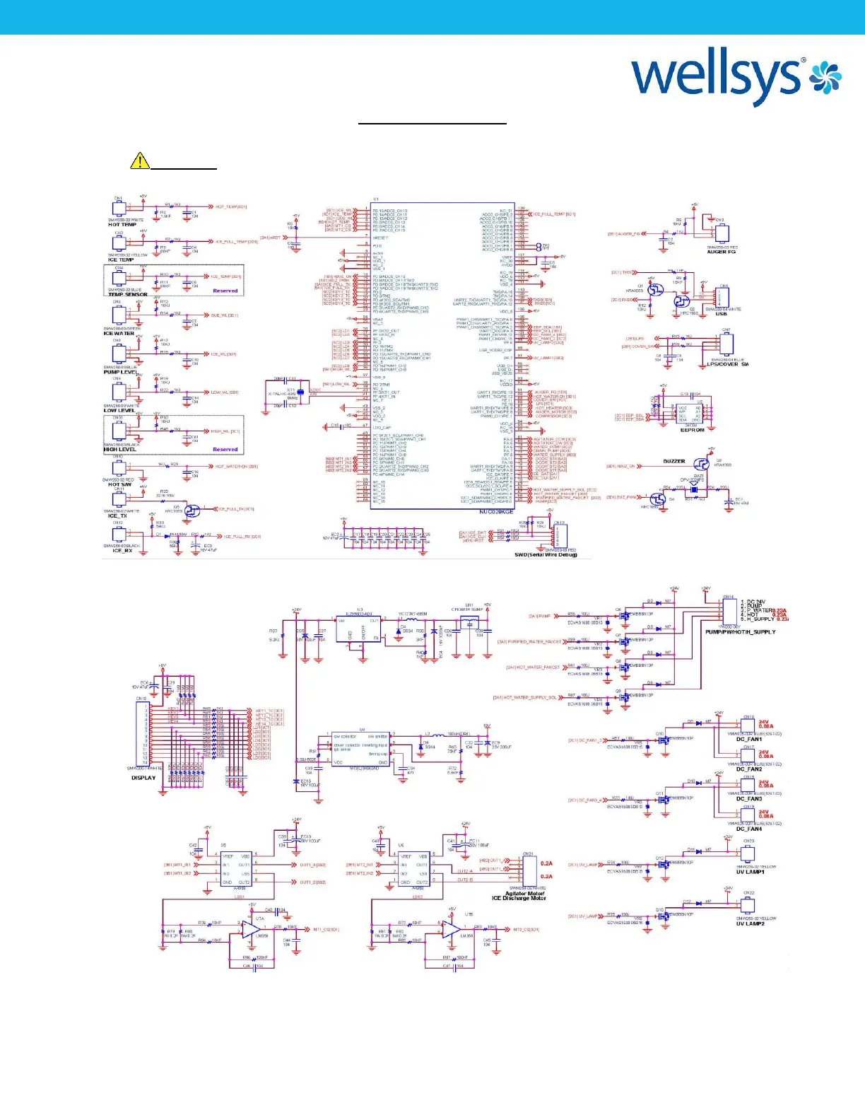
i16 Manual Page 24 - Revision: 2-09-2023
i16 PCB DIAGRAM
DANGER! HIGH VOLTAGE ELECTRICAL HAZARD. PCB (Printed Circuit Board) contains
High Voltage. Only trained and qualified technicians should attempt live testing.