EasyManua.ls Logo

Wen DF1100 - Exploded View & Parts List

Wen DF1100
40 pages
Print Icon
To Next Page IconTo Next Page
To Next Page IconTo Next Page
To Previous Page IconTo Previous Page
To Previous Page IconTo Previous Page
Loading...
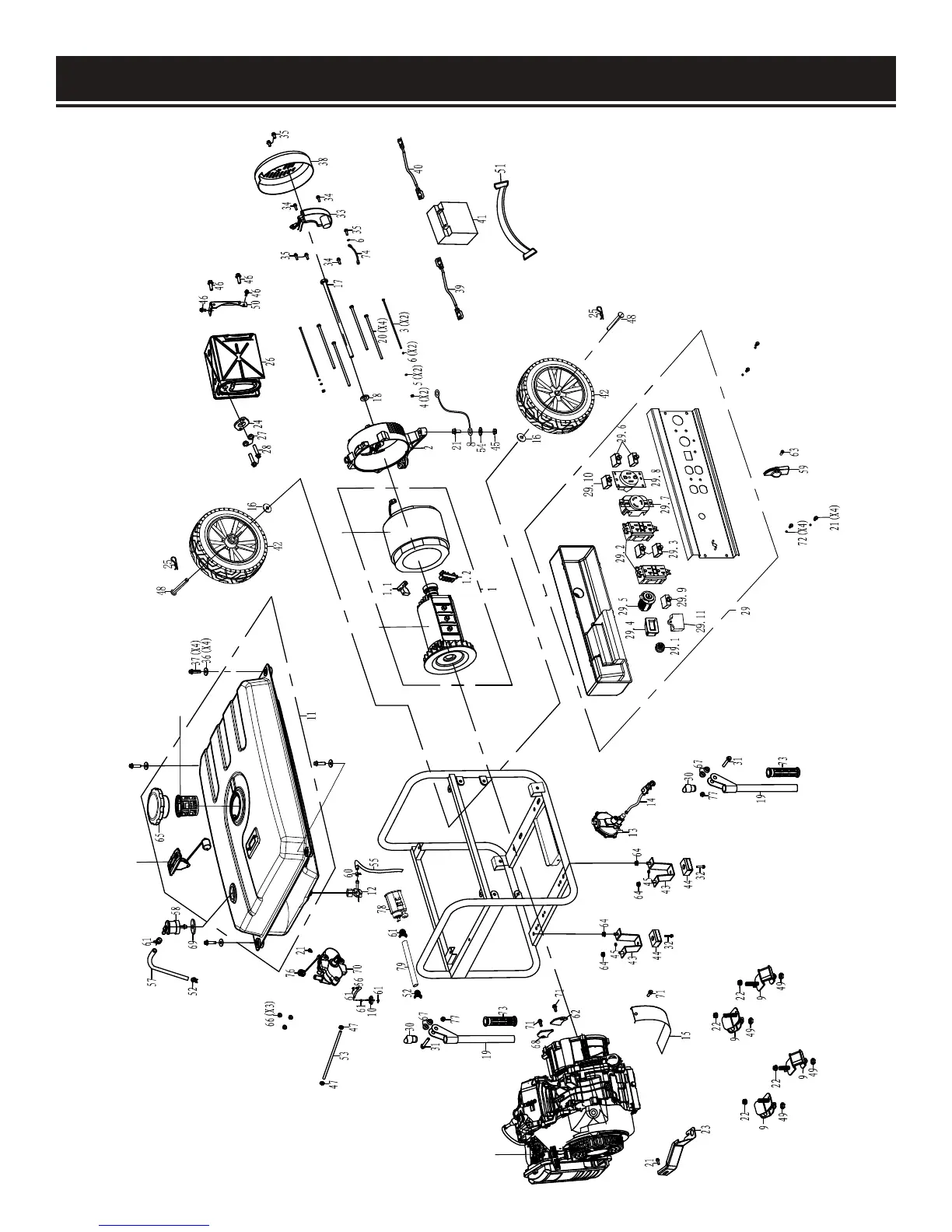
EXPLODED VIEW & PARTS LIST
GENERATOR
EXPLODED VIEW
34
80
81
82
1.3
1.4

Related product manuals