EasyManua.ls Logo

Westerbeke 7.5 MCGA - Figure 32: Wiring Diagram for Start;Stop Panel with Fault Display; Figure 33: Wiring Diagram for Start;Stop Panel Rocker Switch Only; 7 Wiring Diagrams; Remote Start;Stop Panels

Westerbeke 7.5 MCGA
50 pages
Print Icon
To Next Page IconTo Next Page
To Next Page IconTo Next Page
To Previous Page IconTo Previous Page
To Previous Page IconTo Previous Page
Loading...
7 Wiring Diagrams Operator Manual for Gasoline Generators
page 38
7
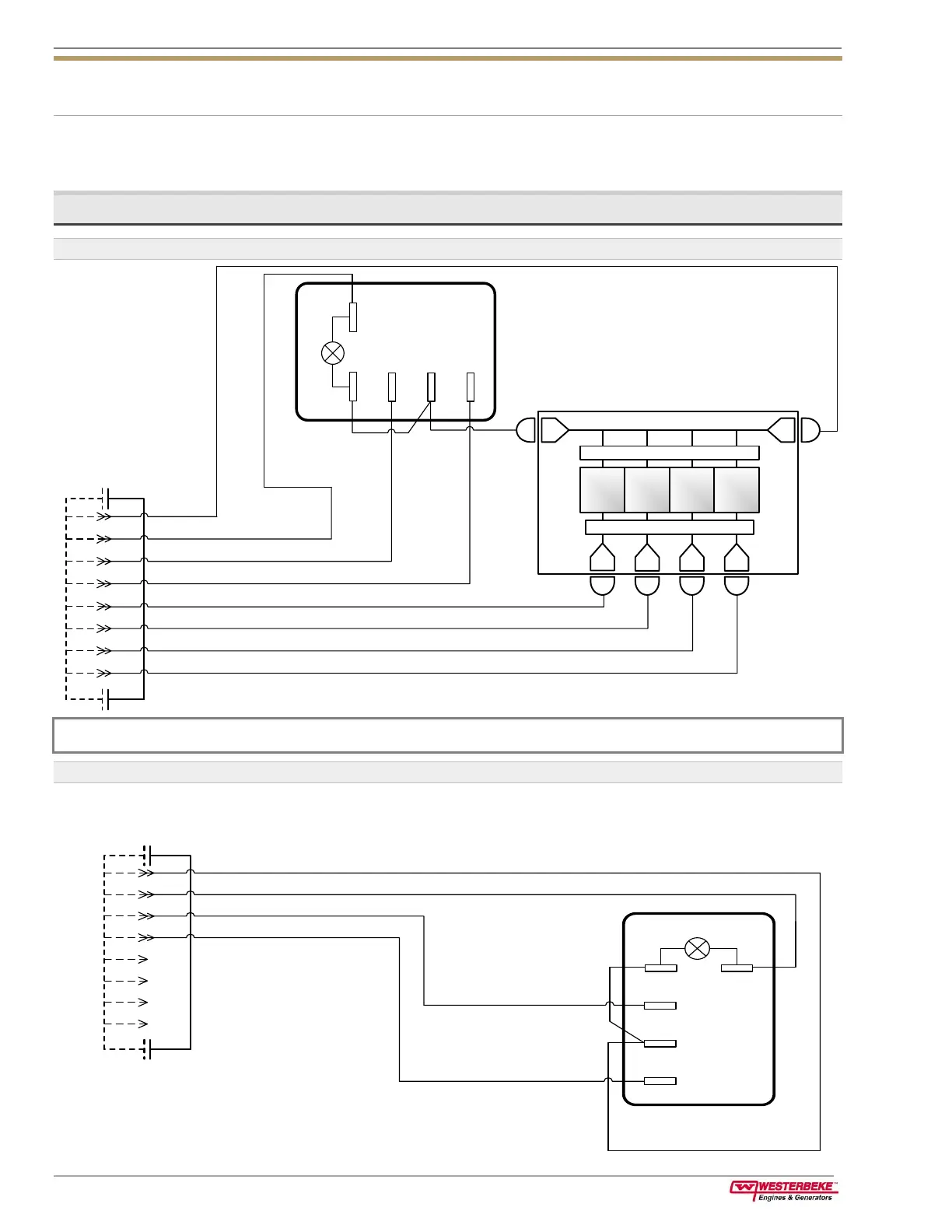
Wiring Diagrams
The Wiring Diagram is available online and a printed copy is included in the standard equipment kit with your
generator.
7.1
Remote Start/Stop Panels
Figure 32: Wiring Diagram for Start/Stop Panel with Fault Display
NOTE: A 15-foot (part number 054931) or 30-foot (part number 054932) extension harness is also available.
Figure 33: Wiring Diagram for Start/Stop Panel Rocker Switch Only
REMOTE
CONNECTOR
RUN INDICATOR
1
START/STOP SWITCH
RED-18GAPOWER
2
3
4
5
6
7
8
RUN INDICATOR WHT/BLK/RED-18GA
12V
START
12V SUPPLY
STOP
RUN END
START SWITCH OUTPUT
STOP SWITCH OUTPUT
5
6
7
8
WHT/BLK/GRN-18GA
PNK-18GA
1
2
3
4
10 9
1
2
4
REMOTE
CONNECTOR
1
POWER
2
3
4
5
6
7
8
LED OUT - RUN INDICATOR
START SWITCH OUTPUT PNK-18GA
STOP SWITCH OUTPUT WHT/BLK/GRN18GA
5
6
7
8
1
2
3
4
RUN INDICATOR
START
12V SUPPLY
STOP
10
1
4
12V RUN END
9
2
T6
T5
T4
T3
T1T2
LED OUT LOW OIL PRESS WHT/BLK/BLU-20GA
LED OUT COOLANT TEMP WHT/BLK/ORG-20GA
LED OUT EXH TEMP FAIL WHT/BLK/GRY-20GA
LED OUT EXH TEMP FAIL WHT/BLK/GRY-20GA
START/STOP
SWITCH
POWER RED-18GA

Table of Contents

Related product manuals