EasyManua.ls Logo

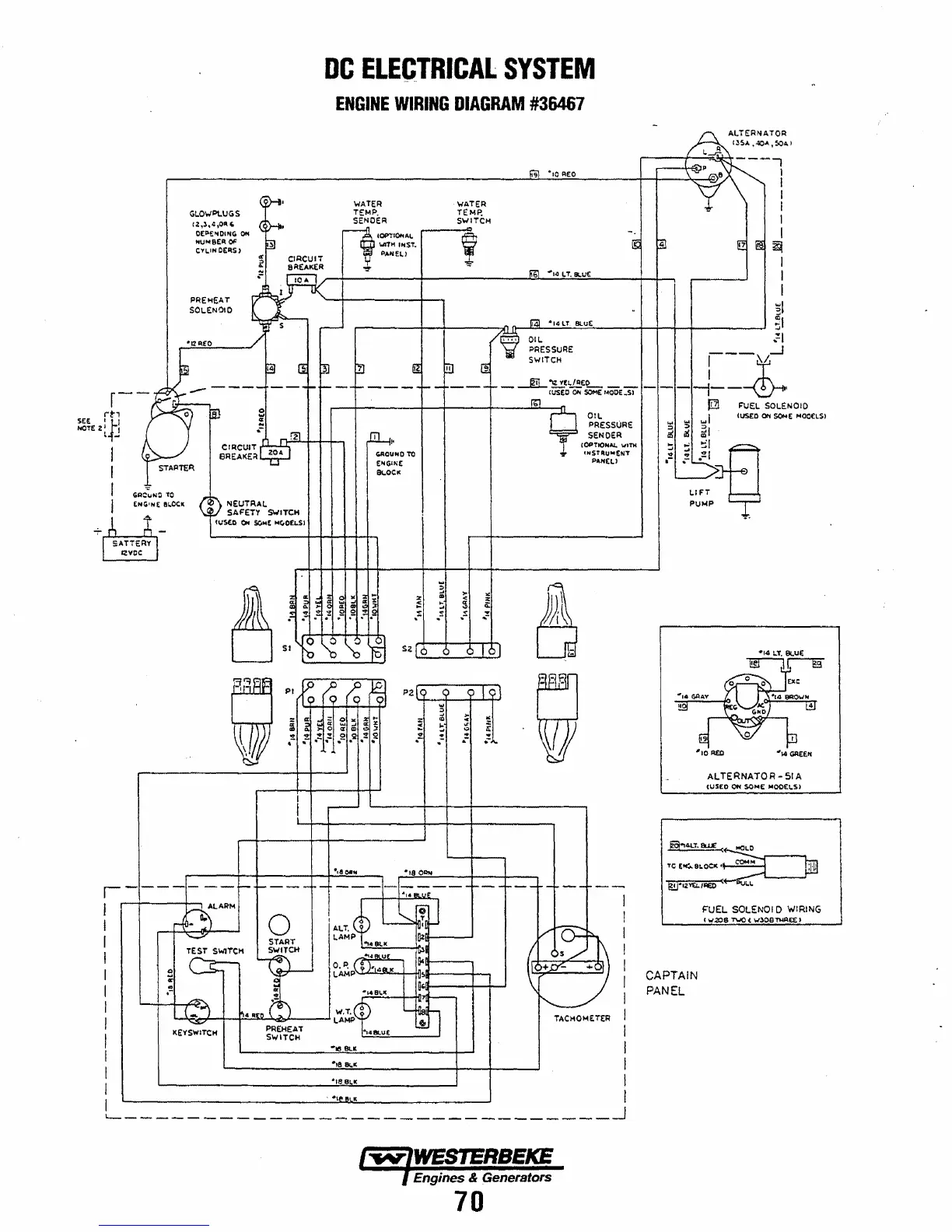
Westerbeke W-27A - DC Electrical System Wiring Diagrams (Continued); Engine Wiring Diagram #36467

Westerbeke W-27A
110 pages
Print Icon
To Next Page IconTo Next Page
To Next Page IconTo Next Page
To Previous Page IconTo Previous Page
To Previous Page IconTo Previous Page
Loading...
("to,
SEE
't'
NOTE
2'
,
L _
I
I
I
I
I
I
I
I
I
I
I
I
I
I
-
Gl.OWIl1..UGS
(2,3,4,0
1
\4',
DEI'E"'DI1'IG ()f'I
"uMSER
OF
CY~'"
CERS)
PREHEAT
SOLENOIO
DC
ELECTRICAL
SYSTEM
ENGINE
WIRING
DIAGRAM
#36467
IOPTIOIoA~
I./ITI1I"5T.
p ...
"'El)
~OU"DT()
e:"G,~t
QI.OCK
52
WATER
TEMP.
SWITCH
'9
"0
REO
" "'14
LT.
Bl.U(
---,
I
I
I
I
I
I
~
I
I
I
~I
·14lT
Bl.uE:
~I
OlL.
,,:!I
"'RES
SURE
___
---1
SWITCH I
~
-
~
~~;~~&~E
'~OoE::si
- - -
--j-
-~I'
..
OIl.
F>RESSURE
SENDER
"'PTION~
w,TI1
'''5T''U''£NT
P4HElI
fQl
I='U!i:l.
SOl.ENOID
... ... w I (USED
~
SONE:
MODELS,
~ ~
~I
~;
~!~
,-
,,~
PUMP
~
PI~~
~
~
-
.
,.
pzl<
~
) I ( I
..,
i
~
t
OS
'!:
\,
. .
I
t
---
---
r-
~---
~l.ARM
-i.
~
0
~
START
T~H
t
~
..
,-
~
":j
,,~tO
'"
~
-
KE:V5WITCH
F>REHEAT
SWITCH
:::>
,.
~!
e 3
if:
~
;:
ill
...
i!
:
'"
'" '"
.~~
&~
".-,,-
..
2."
..,
-
-Ie
C>It",
-,e
OQo,j
1--
---
-1-----
.,.
\!Lut
~;J
'
ALT.~D
IJz
I.AMP
"48L~
"'JI!.I.I(
~I
~A~pJ
'41U
~
-l4Bl.it
fi'
7-
WT,t
....
isl]
l.AMP
.J!
"141!J1.1.I(
-18
91..K
·,881.K
'le8l~
,
.,1'
RLK
"
::
0:
."!
...
1---
---
I
II
\
-
--
-
~
()s/
+JY-
....
01
TACHOMETER
I
!
I
I
I
I
I
I
I
I
I
I
I
CAPTAIN
PANEL
ALTERNATO
R -
51
A
(USEQ
~
SOME IolOOEI.SI
F'UEL SOLENOI D WIRING
(
....
%lS
T'I.I() ( w')09'N1'IE£
~
L.-
____________
_
____
--1
Engines & Generators
70

Table of Contents

Related product manuals