EasyManua.ls Logo

Whirlpool 4322452 - Oven Light

Whirlpool 4322452
88 pages
Print Icon
To Next Page IconTo Next Page
To Next Page IconTo Next Page
To Previous Page IconTo Previous Page
To Previous Page IconTo Previous Page
Loading...
Page 6-17
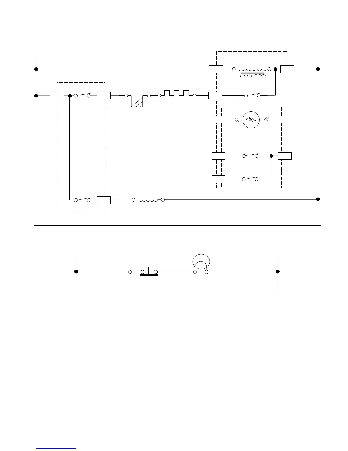
L1 N
WBK
BK
BU
BR
BU GY
GYY
W
W
VV
OVEN CONTROL
OVEN CONTROL
TRANSFORMER
SENSOR
BAKE RELAY
BAKE VALVE
BAKE IGNITOR
BROIL RELAY
LATCH RELAY*
P3-4
P4
P3-1
P1-6
(N.O.)
DOOR LATCH
SWITCH
DOOR LATCH
SWITCH
LATCH
SOLENOID
P1-5P1-1
P1-3
P1-7
* PULSE 1 SECOND
P5 P2-1
P2-4
SELF-CLEAN
N
L1
WWBK
OVEN LIGHT
OVEN LIGHT

Table of Contents

Related product manuals