EasyManua.ls Logo

Williams PIN-BOT - Schematic, System 1

Williams PIN-BOT
79 pages
Print Icon
To Next Page IconTo Next Page
To Next Page IconTo Next Page
To Previous Page IconTo Previous Page
To Previous Page IconTo Previous Page
Loading...
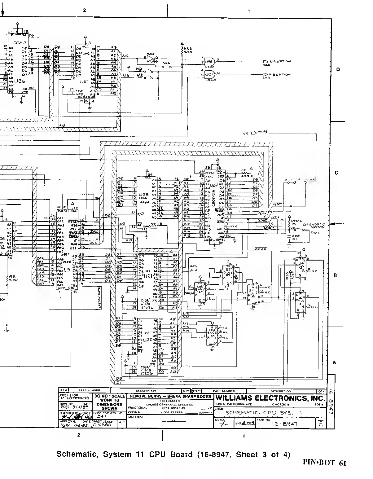
Schematic,
System 11 CPU Board
(16-8947, Sheet 3 of
4)
PIN*BOT
61
69
-

Related product manuals