EasyManua.ls Logo

Wilo Wilo-Rexa MINI3 Series - Page 16

Wilo Wilo-Rexa MINI3 Series
32 pages
Print Icon
To Next Page IconTo Next Page
To Next Page IconTo Next Page
To Previous Page IconTo Previous Page
To Previous Page IconTo Previous Page
Loading...
en
16 WILO SE 2021-01
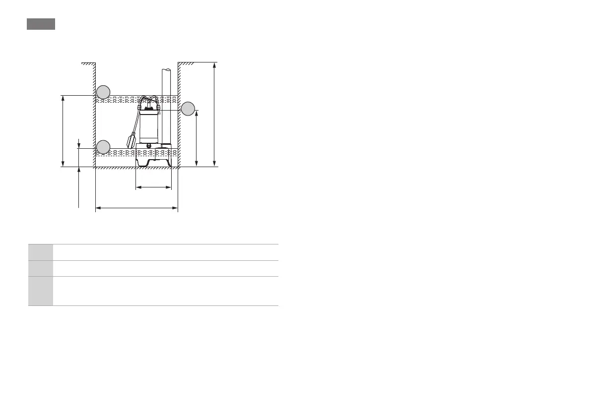
5.2.1 Stationary wet well installation
min. 450x450 mm
min. 18x18 "
min. 500 mm
min. 20 "
335 mm
13 "
216 mm
8,5 "
113 mm
5 "
416 mm
16 "
1
2
3
Fig.2: Installation dimensions and switching points
1 Switch-on level
2 Switch-off level
3
Minimum water level for continuous duty (S1). From
here only intermittent periodic duty (S3)
For stationary wet well installation, the pump is installed dir-
ectly onto the pressure pipe. Observe and adhere to the fol-
lowing points:
ƒ The connected pressure pipe must be self-supporting.
The pressure pipe must not be supported by the pump.
ƒ The pump may oscillate slightly during operation. These
oscillations must be dissipated via the pressure pipe.
ƒ Ensure that the connection to the pressure pipe is stress-
free– do not screw it in too tightly.
ƒ The pressure pipe must not be smaller than the pump’s
discharge connection.
ƒ Seal pipe connections with Teflon tape.
ƒ Install all specified valves in accordance with local require-
ments (gate valve, non-return valve).
ƒ Lay the pressure pipe frost-proof.
ƒ Avoid air intake! Air in the pump and in the pipe system
can lead to delivery problems. Air pockets must be re-
moved using the ventilation systems!
ƒ Install the pressure pipe as a “pipe loop” to avoid backflow
from the public sewer.
At its highest point, the bottom edge of the pipe loop
must be above the locally determined backflow level!
Site is prepared.
Pressure pipe properly installed.
1. Screw the discharge pipe fully into the pump’s discharge
connection.
2. Position the pump at the installation site.
CAUTION!Use a hard surface or underlay at the in-
stallation site to prevent sinking on soft substrate.

Related product manuals