EasyManua.ls Logo

Winco DE4040 - Engine Harness

Winco DE4040
44 pages
Print Icon
To Next Page IconTo Next Page
To Next Page IconTo Next Page
To Previous Page IconTo Previous Page
To Previous Page IconTo Previous Page
Loading...
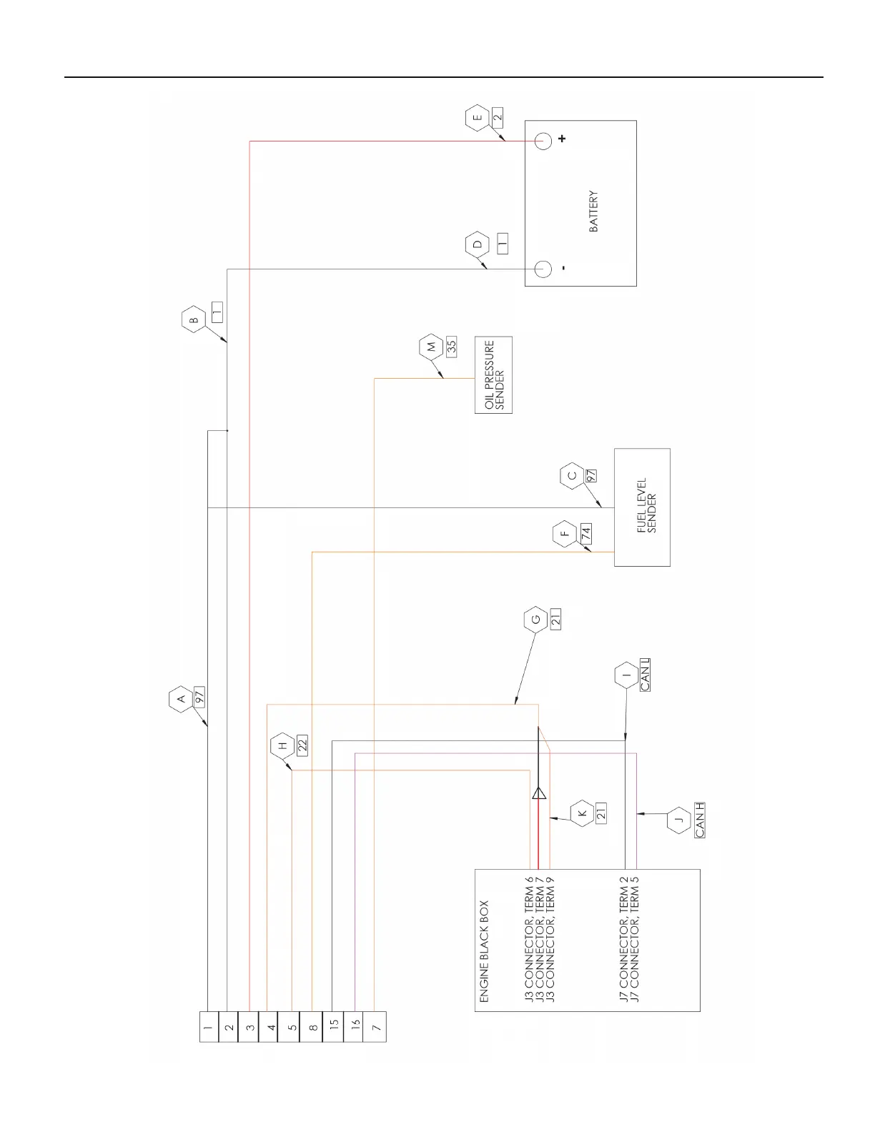
35 OPM-171/B
ENGINE HARNESS

Table of Contents

Related product manuals