EasyManua.ls Logo

Windsor NW - Brush Motor

Windsor NW
50 pages
Print Icon
To Next Page IconTo Next Page
To Next Page IconTo Next Page
To Previous Page IconTo Previous Page
To Previous Page IconTo Previous Page
Loading...
26
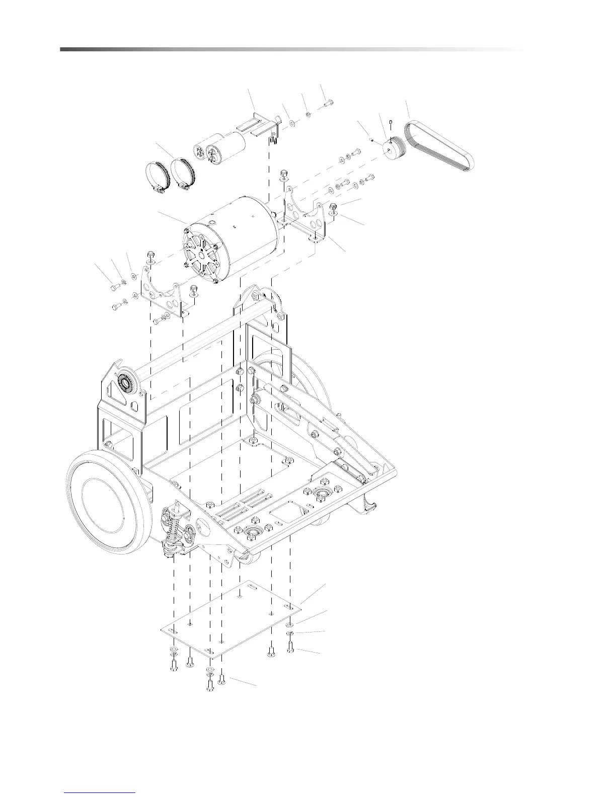
Brush Motor
3
B
5
6
7
8
9
1
0
1
1
1
2
1
3
1
4
1
5
1
1
6
1
7
2
3
A
5
6
7
4
86011370 NUWAVE

Related product manuals