EasyManua.ls Logo

Windsor NW - Wiring Diagram - 120 V

Windsor NW
50 pages
Print Icon
To Next Page IconTo Next Page
To Next Page IconTo Next Page
To Previous Page IconTo Previous Page
To Previous Page IconTo Previous Page
Loading...
42
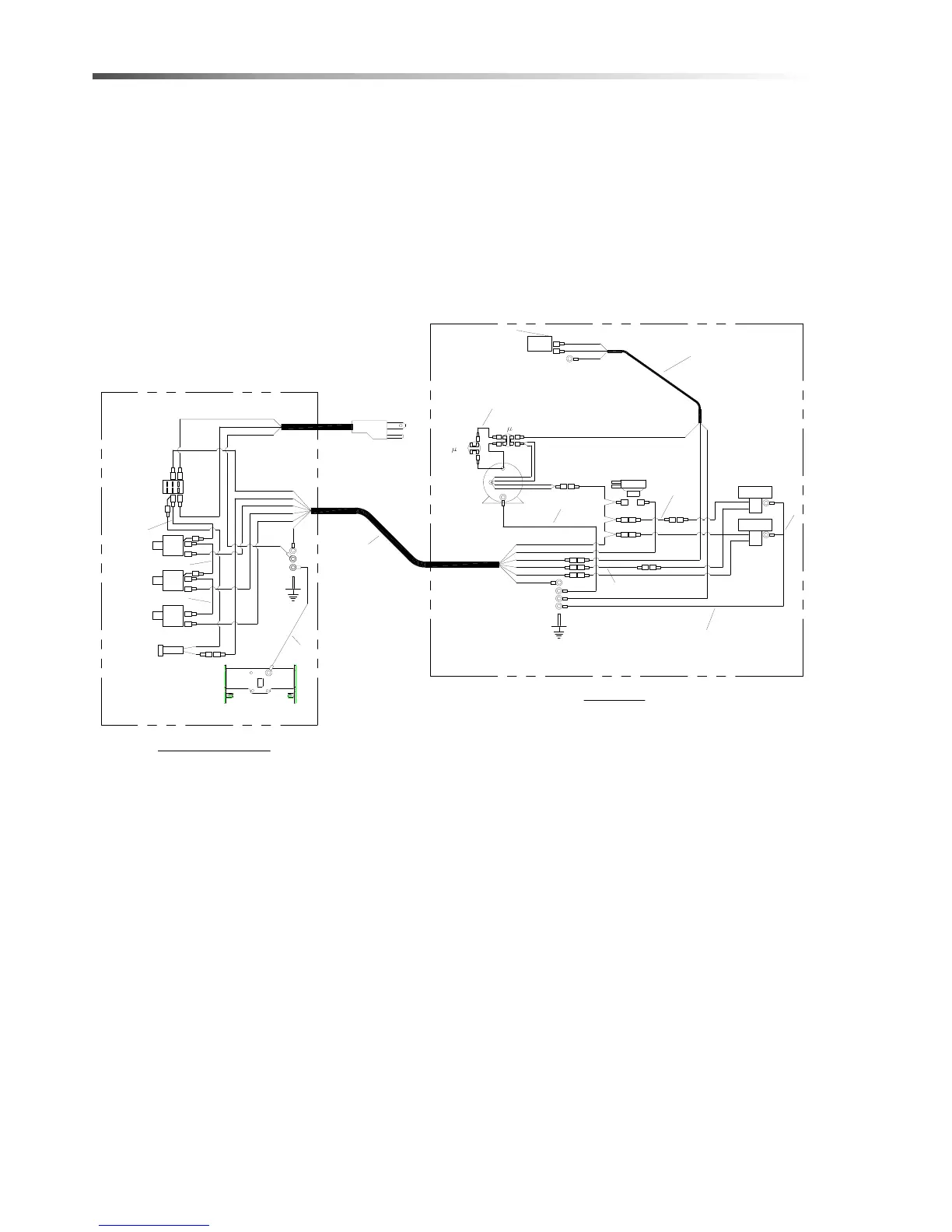
Wiring Diagram - 120V
5
BRUSH
MOTOR
W4
W5
1
W1
W6
W2
W3
GRN
BLK
BRN
BLU
RED
WHT
4
WHT
GRN
BLK
VACUUM
SWITCH
6
3
WHT
RED
BLU
BRN
BLK
GRN
GRN
2
2
2
POWER
CORD
VAC
MOTOR
CIRCUIT
BREAKER
8A
INDICATOR
LIGHT
SWITCH
ACCESSORY
PORT
SWITCH
WHT
BLK
GRN
GRN
CONTROL PANEL
MACHINE
150 F
25 F
CIRCUIT
BREAKER
8A
CIRCUIT
BREAKER
8A
VAC
MOTOR
7
7
4
LEVER
BRACKET
5
86011370 NUWAVE

Related product manuals