EasyManua.ls Logo

Wittenborg FB 7100 PLUS - Additional Routines; Calling and Resetting Counters

Wittenborg FB 7100 PLUS
88 pages
Print Icon
To Next Page IconTo Next Page
To Next Page IconTo Next Page
To Previous Page IconTo Previous Page
To Previous Page IconTo Previous Page
Loading...
Additional routines
56 FB 7100 PLUS 10.2011
------SHORTCUTS-----
*(1)=Rinse 3=Counter
(2)=Return 4=Menu
(1) (2) (3) (4)
Start
--MENU SELECTION---
*Test
Operator
End
Total number, nres
Total: xxxxxxx
Sel
OK
Total: 00000.00
Sel
Coffee black
Sel
Esc
Esc
Total: xxxxxx
Sel
OK
Total turnover, nres
v
^
v
^
v ^
v ^
Coffee w sugar
Total: 000.00
Sel
OK
Coffee black
Sel
Esc
Total: xxxxxx
Sel
OK
v
^
Coffee w sugar
Total: 000.00
Sel
OK
Esc
Esc
Total: xxxxxxx
Sel
OK
Total number, res
v
^
Esc
Total: 00000.00
Sel
OK
Total turnover, res
v
^
Esc
Esc
Esc
No. per drink, nres
No. per drink, res
Turn. p. drink,nres
OK
v ^
Sales Audit
3
Esc
Sel
Cash audit
v ^
Continued on next page
FB 7100
PLUS
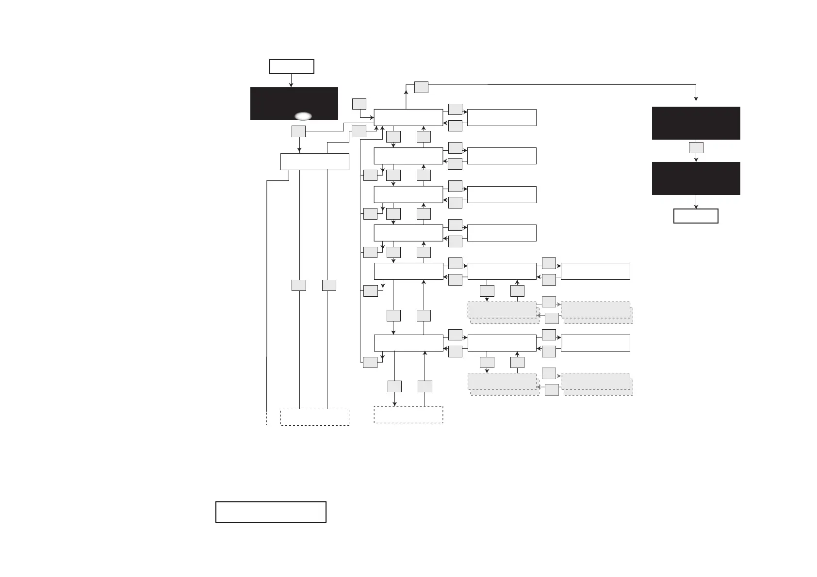
Calling and resetting
counters
Follow this diagram to check
and reset counters.
Sales turnover and numbers
of items sold are available as
totals as well as by individual
types of drink selections.

Table of Contents

Related product manuals