EasyManua.ls Logo

Worcester GREENSOURCE 6 kW - Fit the Fi Lter Valve

Worcester GREENSOURCE 6 kW
46 pages
Print Icon
To Next Page IconTo Next Page
To Next Page IconTo Next Page
To Previous Page IconTo Previous Page
To Previous Page IconTo Previous Page
Loading...
14
Pipe connections
The following connections are made to the HWDU:
A 32 mm plastic pipe is taken from the waste water pipe to the fl oor drain.
The fl ow is connected to the inlet marked Forward fl ow.
The return is connected to the inlet marked Return fl ow. Cold water and
hot water are connected to inlets marked Cold water and Hot water.
The following connections are made to the heat pump:
A 32 mm plastic pipe is drawn from the drainage pipe to the fl oor drain.
Pipe dimensions
Flow/return
Clamping ring connection mm ø22
CW and HW
Clamping ring connection mm ø22
To/from connections
Clamping ring connection mm ø22 (in the HWDU)
Clamping ring connection mm ø28 (n the heat pump)
Waste water/drainage mm ø32 (in both)
HWDU front view
Hot water
Cold water
View connection area HWDU
seen from behind
HWDU top view
Flow heating system
Return heating system
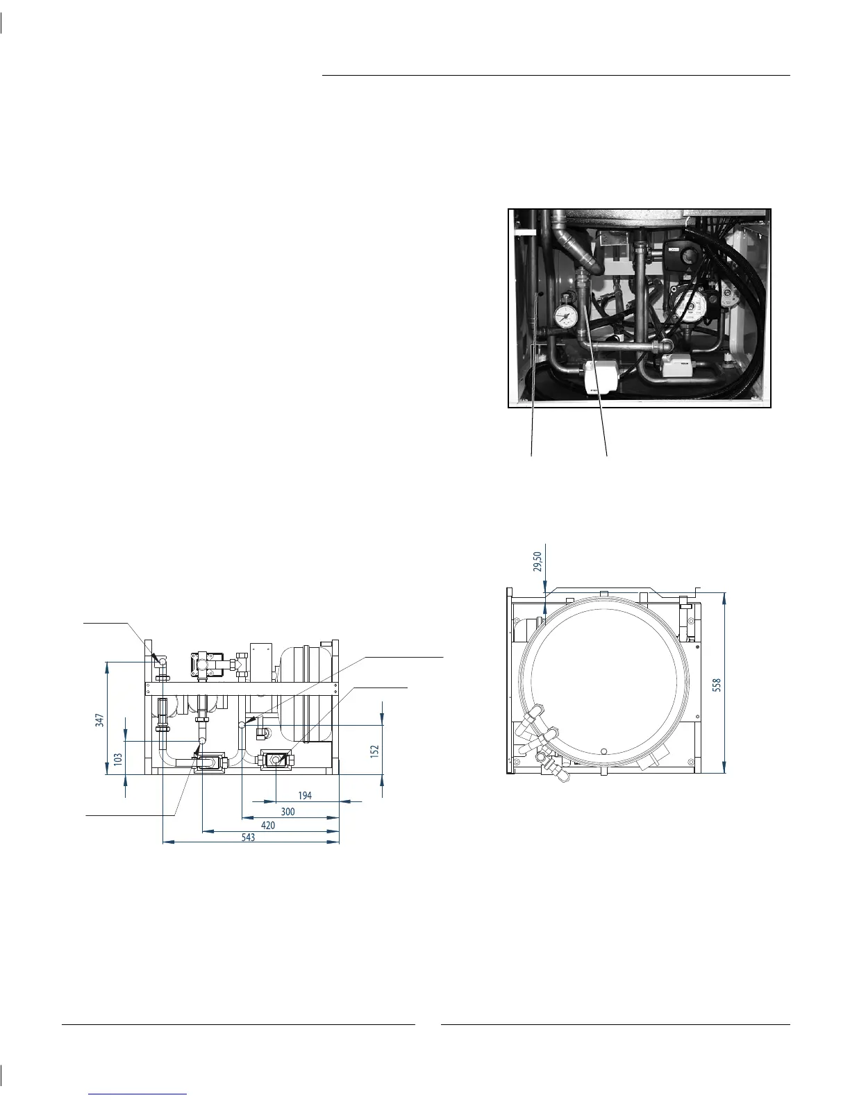
Fit the fi lter valve
The task of the particle fi lter is to fi lter out dirt before it can enter the
heat pump. Accordingly, the supplied fi lter valve should always be fi tted
on the return pipe on the hot side, between the HWDU and the outdoor
heat pump. It should be fi tted as close to the heat pump as possible and be
horizontal.
1) From the heat pump.
(Connect to 1) in the heat pump picture.
2) To the heat pump.
(Connect to 2) in the heat pump picture.
Dimensions, clearance and plumbing connections

Table of Contents