EasyManua.ls Logo

Worcester GREENSTAR 29 - Page 12

Worcester GREENSTAR 29
44 pages
Print Icon
To Next Page IconTo Next Page
To Next Page IconTo Next Page
To Previous Page IconTo Previous Page
To Previous Page IconTo Previous Page
Loading...
6 720 611 137 GB (03.02)
12
Installation
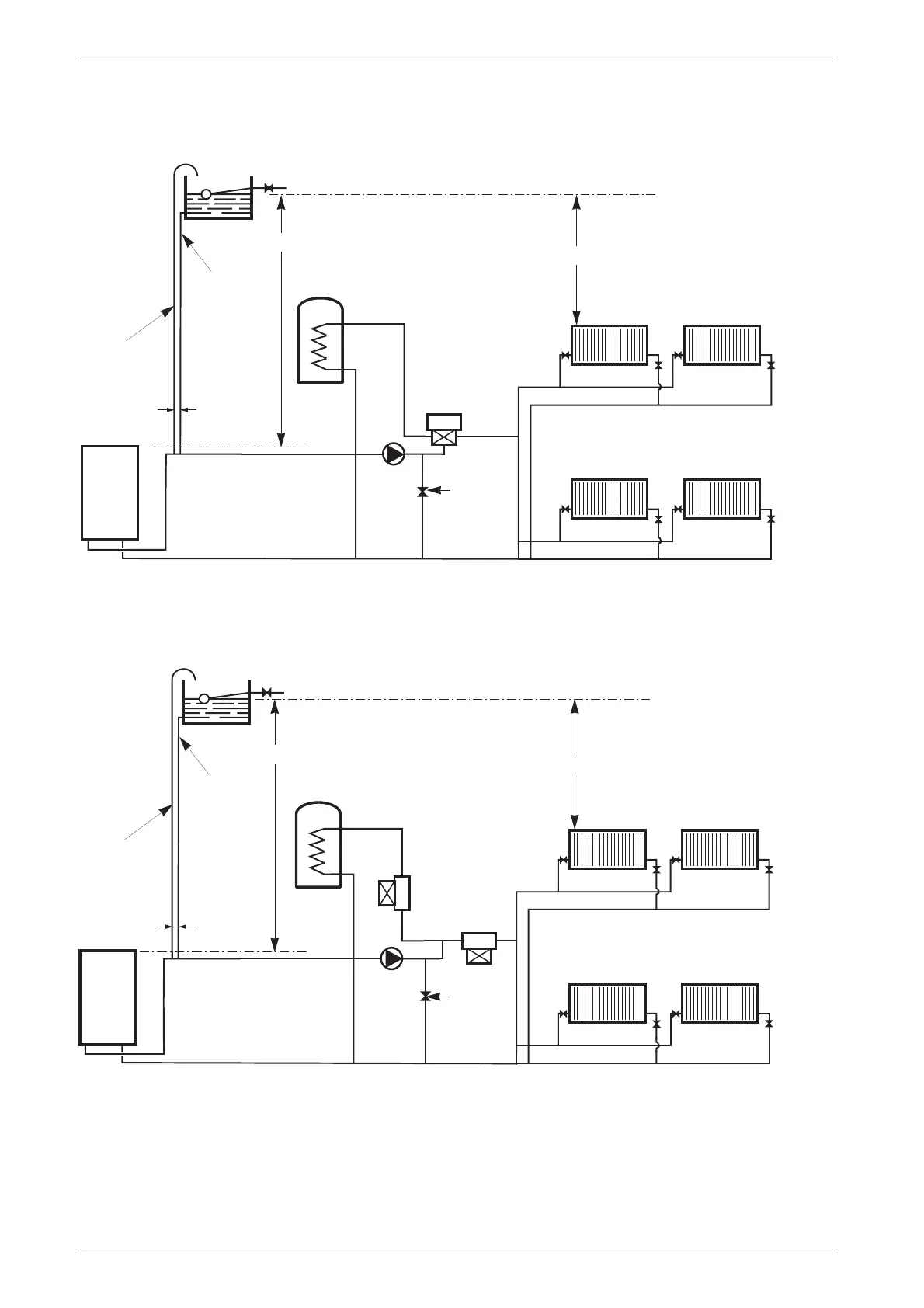
Fig. 5
Fig. 6
sy
stem la
y
out if using Hone
ywell 'Y' plan
Primary
cold feed
(15mm min.)
Heating vent
(22mm min.)
Feed and
Vent Cistern
Diverting
valve
Boiler
Pump
Radiator
S.H. – Minimum static head 1.0m
measured from the highest point in the
heating system (top surface of the appliance
or highest point in the heating system) to th
e
water level in the feed and expansion tank
N.B. A drain cock should be
installed at the lowest point of
the heating circuit
Domestic hot
water cylinder
S.H.
S.H.
150mm max
Bypass or
uncontrolled
radiator
(if required)
6 720 611 137 -26.1O
Refer to system
notes.
Typical
Bypass or
uncontrolled
radiator
Primary
cold feed
(15mm min.)
Heating vent
(22mm min.)
Feed and
Vent Cistern
Diverting
valves
Boiler
Pump
Radiator
S.H. – Minimum static head 1.0m
measured from the highest point in the
heating system (top surface of the appliance
or highest point in the heating system) to the
water level in the feed and expansion tank
N.B. A drain cock should be
installed at the lowest point of
the heating circuit
Domestic hot
water cylinder
S.H.
S.H.
150mm max
sy
stem layout if using Honeywell 'S' plan
6 720 611 137 - 27.1O
Refer to system
notes.
Typical

Table of Contents

Related product manuals