EasyManua.ls Logo

Worcester GREENSTAR 29 - Layout of Appliance

Worcester GREENSTAR 29
44 pages
Print Icon
To Next Page IconTo Next Page
To Next Page IconTo Next Page
To Previous Page IconTo Previous Page
To Previous Page IconTo Previous Page
Loading...
6 720 611 137 GB (03.02)
6
Details of the appliance
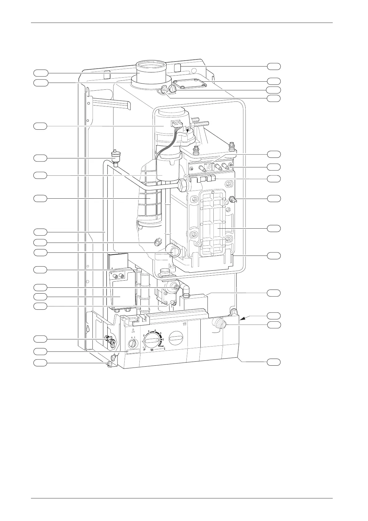
1.6 Layout of appliance
Fig. 2
4
Heatronic control
4.4
Y-S-module
6
Heat exchanger safety temperature limiter
7
Testing point for gas supply pressure
9
Flue gas temperature limiter
15
Safety valve
27
Automatic air vent
29
Air gas Mixer unit
32.1
Electrode assembly
36
Temperature sensor in boiler flow
43
Flow pipe
63
Adjustable gas flow restrictor
64
Adjusting screw for min. gas flow volume
102
Inspection window
120
Fixing points
221.1
Flue duct
221.2
Combustion air intake
226
Fan assembly
295
Appliance type sticker
234
Testing point for combustion products
234.1
Testing point for combustion air
271
Flue duct
349
Cover plate for twin flue duct connection
358
Condensate trap
361
Drain valve
415
Cover plate for cleaning access
416
Condensate collector
417
Clip for fixing outer case
418
Data plate
423
Siphon
6 720 611 137-01.1 O
102
416
15
4
415
6
36
32.1
418
423
29
226
234.1
271
221.1
221.2
43
9
63
358
64
7
361
27
4.4
417
234
349
120
295

Table of Contents

Related product manuals