EasyManua.ls Logo

Worcester GREENSTAR 29 - Appliance Siting and Clearances; Installation Site Regulations

Worcester GREENSTAR 29
44 pages
Print Icon
To Next Page IconTo Next Page
To Next Page IconTo Next Page
To Previous Page IconTo Previous Page
To Previous Page IconTo Previous Page
Loading...
6 720 611 137 GB (03.02)
Installation
13
Fig. 7
Fig. 8
3.3 Siting the appliance
Regulations concerning the Installation Site
B Relevant national regulations must be complied with
section 3.8.1.
B Consult the installation instructions for details of min-
imum clearances required.
Combustion air
In order to prevent corrosion, the combustion air must
not contain any corrosive substances.
Substances classed as corrosion-promoting include
halogenated hydrocarbons which contain chlorine and
fluorine compounds and are contained in some sol-
vents, paints, adhesives, aerosol propellants and
household cleaners, for example.
Surface temperature
The max. surface temperature of the casing and the flue
is less than 85 °C.
This means that, no special safety precautions are
required with regard to flammable building materials
and fitted furniture. The specified clearences must be
maintained.
Cupboard/Compartment
The appliance can be installed in a cupboard/compart-
ment need for airing clothes providing that the require-
ments of BS6798 and BS5440:2 are followed. The low
casing losses from the appliance eliminate the need for
ventilation openings in the compartment. Refer to Fig. 1
for the required clearences around the appliance.
Note:
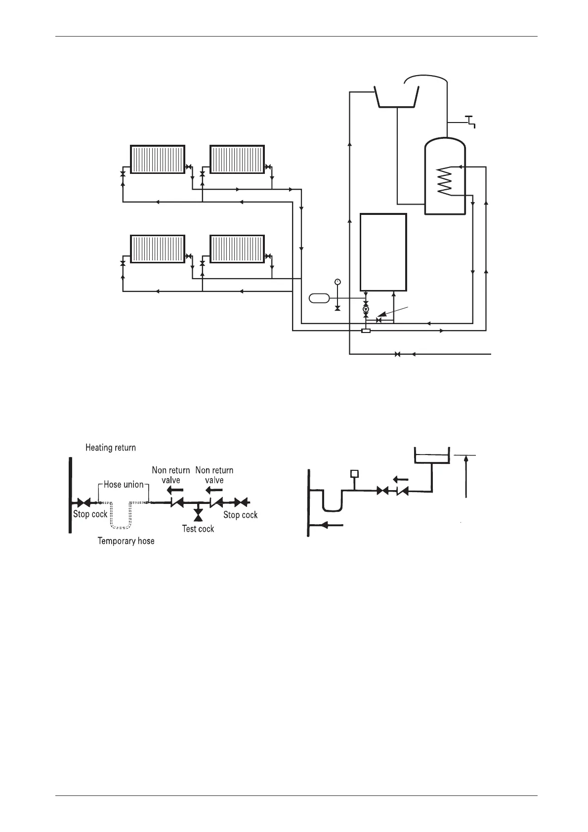
A drain cock
should be fitted
at the lowest
point of the
heating circuit
and beneath
the appliance
Fully pumped sealed system
RV
LV
LV
RV
RV
RV
LV
LV
INDIRECT
CYLINDER
BOILER
Heating Return
Heating Flow
Cylinder Return
Hot Water Flow
BS
Stop Valve Fixed Cylinder Type or sealed systems - Approv
ed connection
Mains Cold Water
Radiator Valve - Flow RV
Lockshield Valve - Return LV
Expansion
Vessel
Bypass
balancing valve or
uncontrolled
radiator with tw o
lockshield valves
Pressure
Gauge
Relief
Va l v e
6 720 611 137 - 28.2O
Heating return
Non return
valve
Non return
valve
Hose union
Test cock
Temporary hose
Stop cock
Auto
air vent
Heating return
Stop
cock
Fill point
Non return
valve
Make up
vessel
1000mm (39 in)
above the highest
point of the system.
Sealed system filling and make up
6 720 611 137 - 29.1O

Table of Contents

Related product manuals