EasyManua.ls Logo

Xerox OLYMPIA ELECTRONIC COMPACT - Page 88

Xerox OLYMPIA ELECTRONIC COMPACT
96 pages
Print Icon
To Next Page IconTo Next Page
To Next Page IconTo Next Page
To Previous Page IconTo Previous Page
To Previous Page IconTo Previous Page
Loading...
(
'
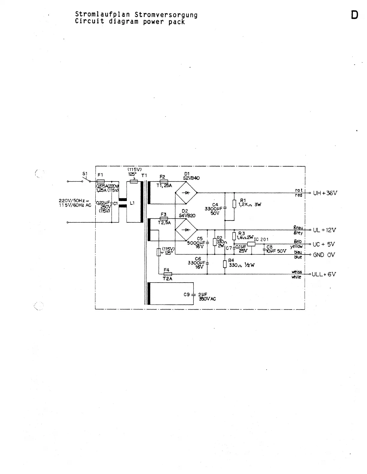
Stromlaufplan Stromversorgung
Circuit
diagram
power
pack
51
220V/50Hz-
1 l
5V/60Hi
AC
~---.--....--------~r"'=o::i-t+-o
UH
+36V
red
C4
33001JF
50V
R1
1,2K~
3W
'----~1--~--------;;g=ra=u+-<'
UL+
12V
I
R3
Brey
R2
1,6.n.2W IC 201 i!elb
I
~.n.c?
1--~c=-s---:-y:::ie1T.::1ow~-<>
UC+
5V
<~~JL------+-_j,__-.+--1.......::.:__~--1-10::.:.µ_F_50_:;_V_-:s:b14U~·-<>
GND
OV
blue
I
C6
R4
.
33~W
330.n.
1.hw
I
I
F4
weiss
.
~
~I
I I
c•t
~~
I
L_
_____________________________
_J
ULL+6V
D