EasyManua.ls Logo

Xtralis VESDA VLS - Dimensions

Xtralis VESDA VLS
56 pages
Print Icon
To Next Page IconTo Next Page
To Next Page IconTo Next Page
To Previous Page IconTo Previous Page
To Previous Page IconTo Previous Page
Loading...
VESDA by Xtralis VESDAVLSProduct Guide
www.xtralis.com 13
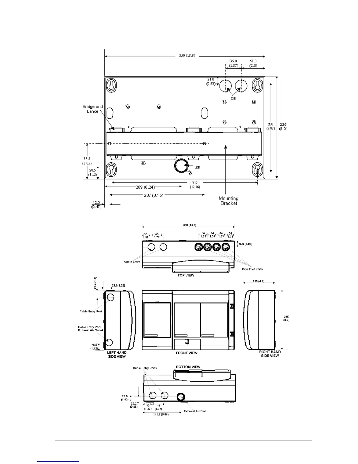
3.2 Dimensions
Figure 3-1: Dimensions - rear view
Figure 3-2: Dimensions

Other manuals for Xtralis VESDA VLS

Related product manuals