EasyManua.ls Logo

XtremepowerUS 75210 - Plumbing

XtremepowerUS 75210
20 pages
Print Icon
To Next Page IconTo Next Page
To Next Page IconTo Next Page
To Previous Page IconTo Previous Page
To Previous Page IconTo Previous Page
Loading...
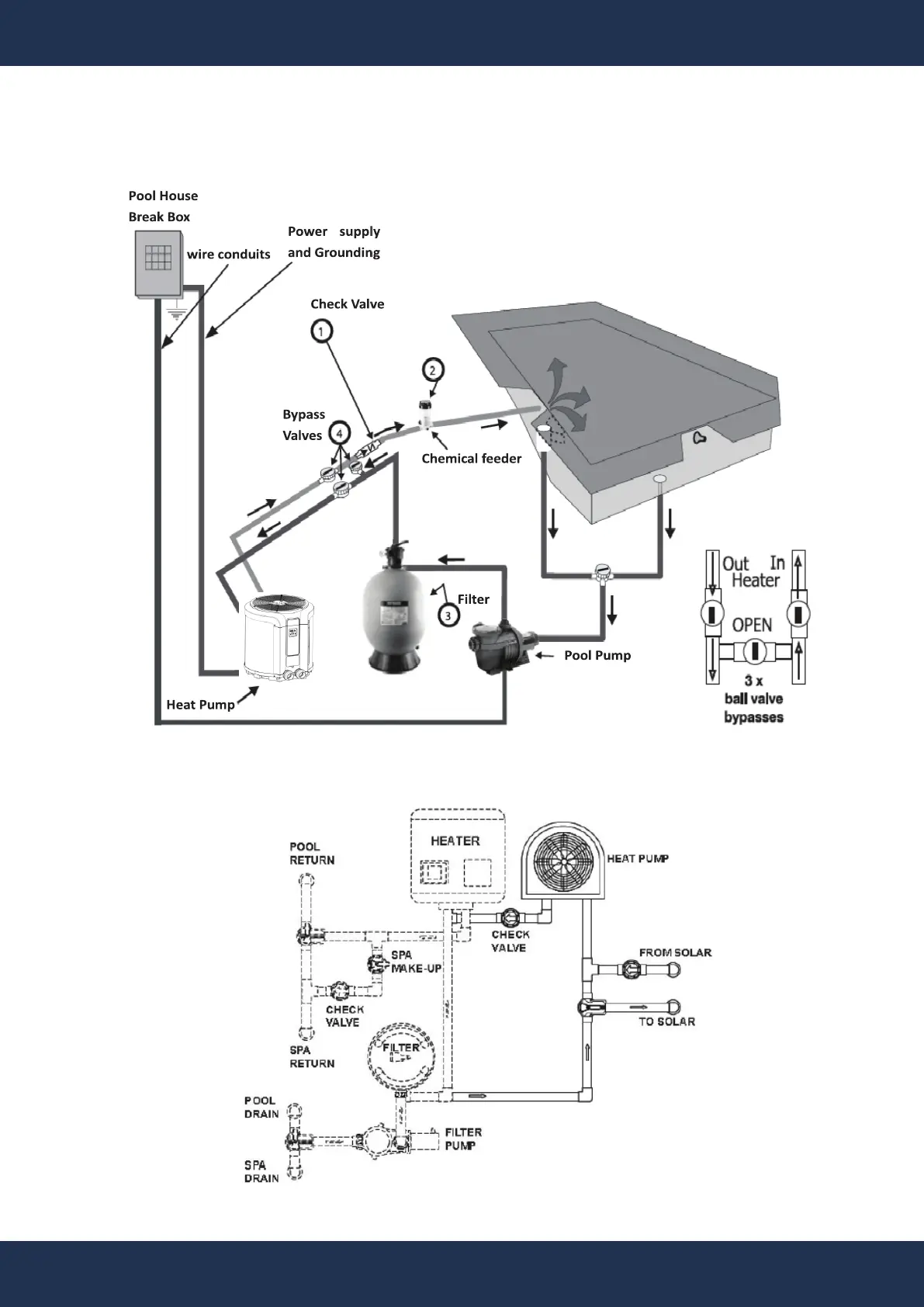
INSTALLATION
7
PLUMBING
Standard Plumbing Layout
Heating System Plumbing Layout

Related product manuals