EasyManua.ls Logo

Xylem Flygt 3201 - Page 30

Xylem Flygt 3201
48 pages
Print Icon
To Next Page IconTo Next Page
To Next Page IconTo Next Page
To Previous Page IconTo Previous Page
To Previous Page IconTo Previous Page
Loading...
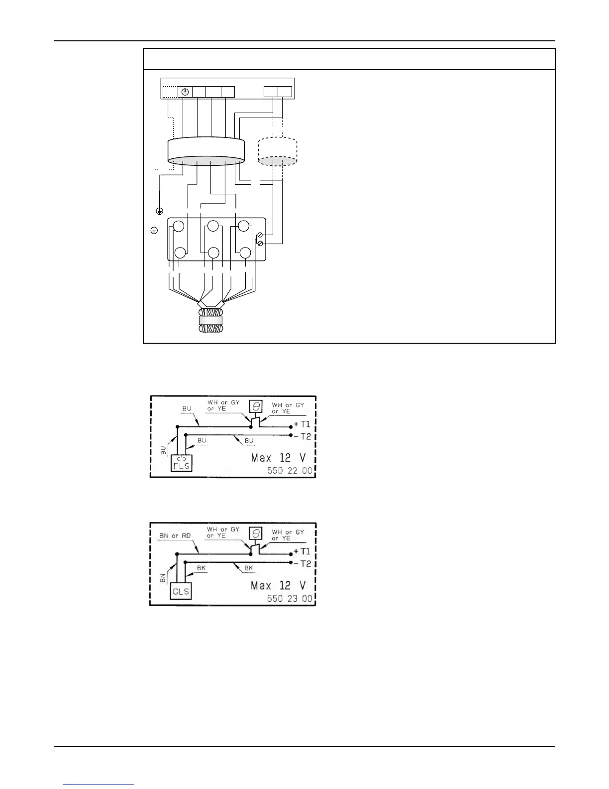
Y serial connection
L1 L2L3
L3
V1
W1
T1
T2
U1
T1
W2
U1
V1
U2
W1
V2
SUBCAB
®
SUBCAB
®
GC L1 L2
T1 T2
3~
V2
W2
U2
GC
T2
T1
T2
GC
U5
V5
W5
Sensor-connection
FLS and Thermal contact Value
0 mA Overtemperature
7.8 mA OK
36 mA Leakage
The values have a 10 % tolerance
CLS and Thermal contact (only standard version) Value
0 mA Overtemperature
5.5mA OK
29mA Leakage (5 second delay)
The values have a 10 % tolerance
Installation
28 Flygt 3201 Installation, Operation, and Maintenance Manual

Table of Contents

Related product manuals