EasyManua.ls Logo

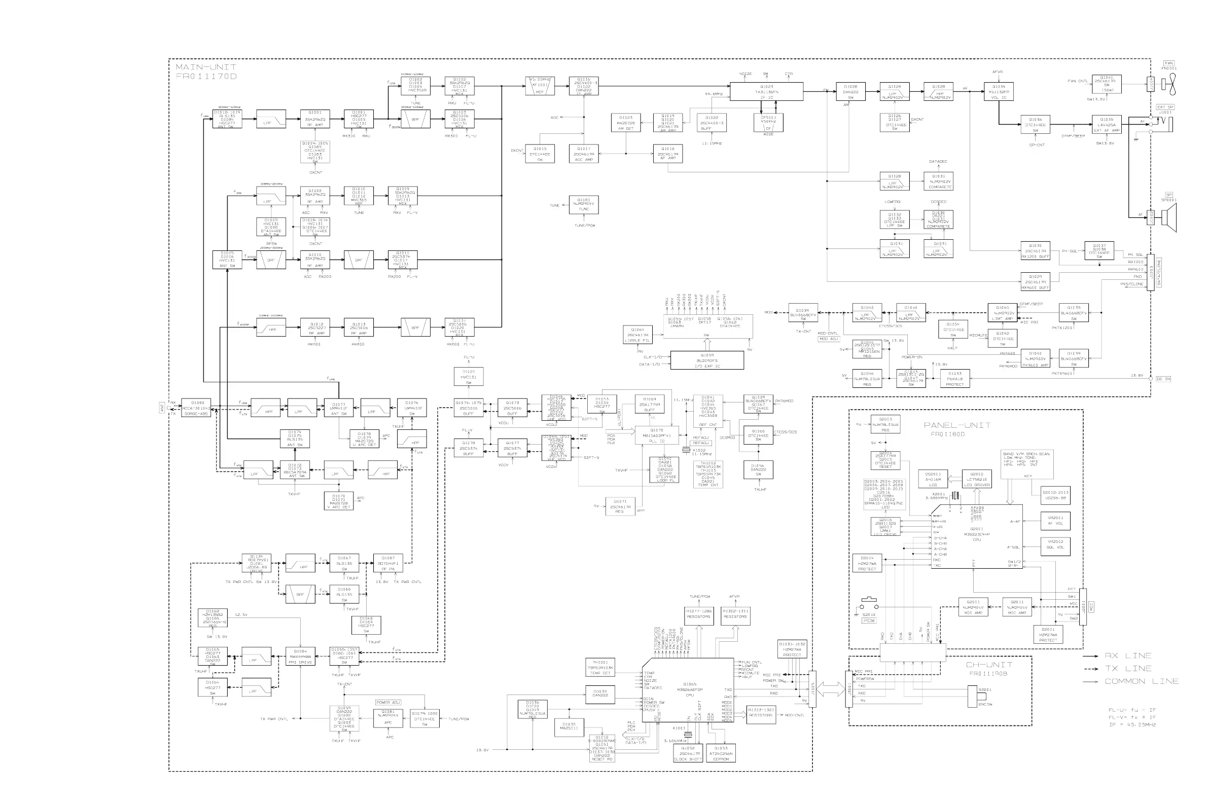
Yaesu FT-7900R/E - Block Diagram Overview; MAIN Unit Block Diagram

Yaesu FT-7900R/E
50 pages
Print Icon
To Next Page IconTo Next Page
To Next Page IconTo Next Page
To Previous Page IconTo Previous Page
To Previous Page IconTo Previous Page
Loading...
C-1FT-7900R/E Technical Supplement
Block Diagram

Related product manuals