EasyManua.ls Logo

Yamaha 3FA-AE2 - LIGHTING SYSTEM CIRCUIT DIAGRAM; Lighting System Wiring

Yamaha 3FA-AE2
41 pages
Print Icon
To Next Page IconTo Next Page
To Next Page IconTo Next Page
To Previous Page IconTo Previous Page
To Previous Page IconTo Previous Page
Loading...
26
+
ELEC
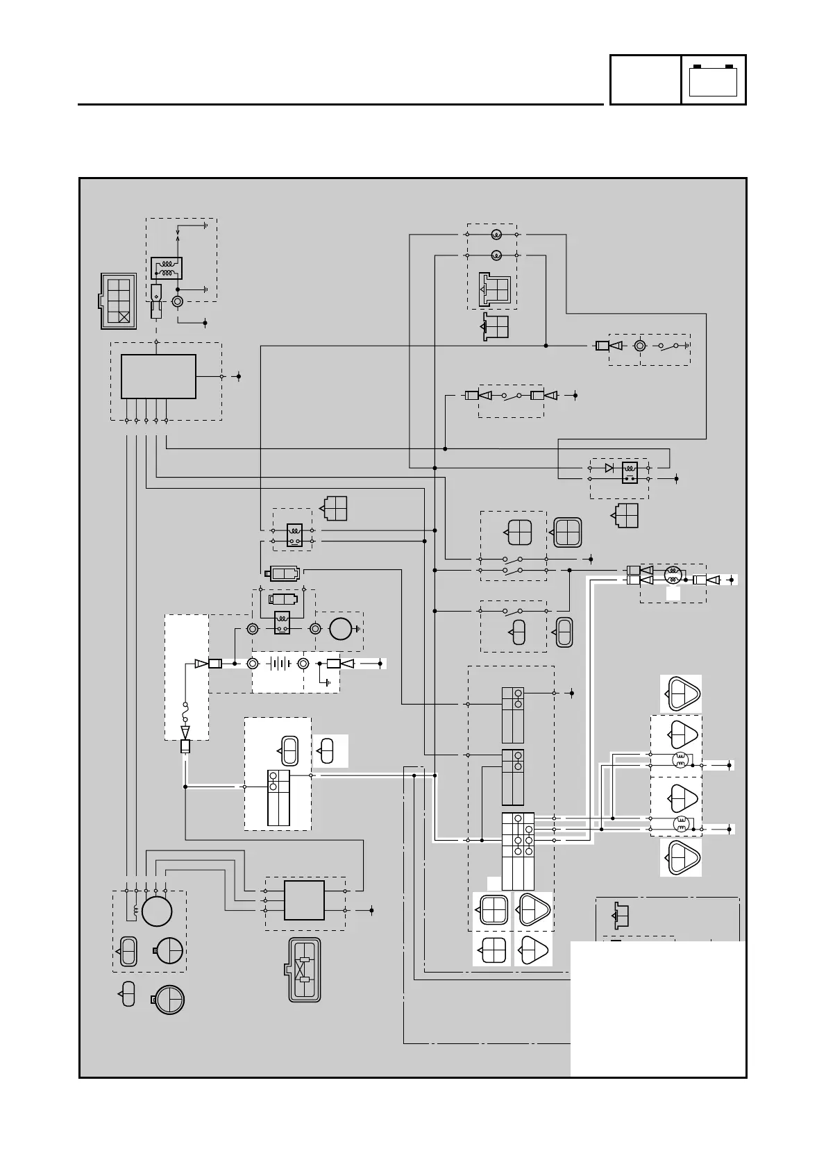
LIGHTING SYSTEM
EBS00518
LIGHTING SYSTEM
CIRCUIT DIAGRAM
OFF
LO
HI
OFF
ON
OFF
PUSH
ON
OFF
R
W
W
W
W
R
W
G/W
R/B
G/Y
OO
R
R
Br
R/BBr
L
R/W
W W W
B R
LR/B
R/WBr
WR
(BLACK)
RW
(BLACK)
RBr
Br G/Y
YB
G/YBr
BY
B
(GRAY)
YBr
(GRAY)
(RED)
(GRAY)
BB
B
R
W
G/W
R/BB OG/Y
R/W
L/W
R/W
L/W
B
B
L/W
L/W Sb
R/B Br
R/W
B
B
R
R
R
R
B
B
GY
B
GY
B
YG
B
YG
B
YG
B
R/BL
Br R/W
GY
B
Br
B
Y
L Y
1
2
3
5
6
8
7
0
A
Br
Sb
F
H
G/Y
BrG/L
G/WB
G
I
K
J
È
LM
NN
OFF
ON
O
Br R
(GRAY)
4
BC
L
L
L
D
G/W
B
B
Br
Y
E
9
Sb L/W
Br R/B
G/WB
Br G/L
W
WW
W
WW
BR
WWW
(BLACK)
Y
Y G
G
B
Br
Br
B
P
Br
P
P B
B
B
Y
B B
G
Br
Br G/L
Sb
Sb
G/L
R/W
R/W
Br
G/L
3 Main switch
4 Fuse
5 Battery
I Tail/brake light
K Light switch
N Headlight

Related product manuals