EasyManua.ls Logo

Yamaha 3FA-AE2 - IGNITION SYSTEM CIRCUIT DIAGRAM; Ignition System Wiring

Yamaha 3FA-AE2
41 pages
Print Icon
To Next Page IconTo Next Page
To Next Page IconTo Next Page
To Previous Page IconTo Previous Page
To Previous Page IconTo Previous Page
Loading...
24
+
ELEC
ELECTRICAL
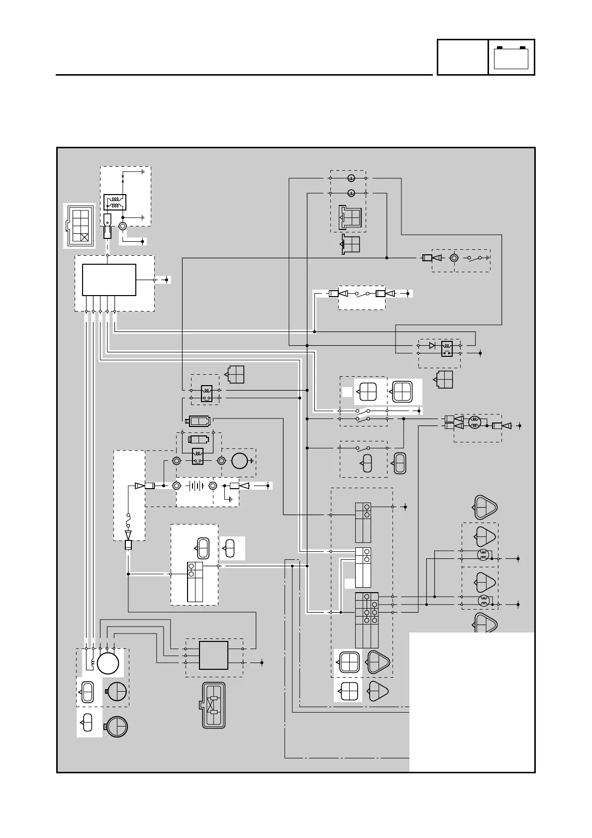
EBS00503
IGNITION SYSTEM
CIRCUIT DIAGRAM
OFF
LO
HI
OFF
ON
OFF
PUSH
ON
OFF
R
W
W
W
W
R
W
G/W
R/B
G/Y
OO
R
R
Br
R/BBr
L
R/W
W W W
B R
LR/B
R/WBr
WR
(BLACK)
RW
(BLACK)
RBr
Br G/Y
YB
G/YBr
BY
B
(GRAY)
YBr
(GRAY)
(RED)
(GRAY)
BB
B
R
W
G/W
R/BB OG/Y
R/W
L/W
R/W
L/W
B
B
L/W
L/W Sb
R/B Br
R/W
B
B
R
R
R
R
B
B
GY
B
GY
B
YG
B
YG
B
YG
B
R/BL
Br R/W
GY
B
Br
B
Y
L Y
1
2
3
5
6
8
7
0
A
Br
Sb
F
H
G/Y
BrG/L
G/WB
G
I
K
J
È
LM
NN
OFF
ON
O
Br R
(GRAY)
4
BC
L
L
L
D
G/W
B
B
Br
Y
E
9
Sb L/W
Br R/B
G/WB
Br G/L
W
WW
W
WW
BR
WWW
(BLACK)
Y
Y G
G
B
Br
Br
B
P
Br
P
P B
B
B
Y
B B
G
Br
Br G/L
Sb
Sb
G/L
R/W
R/W
Br
G/L
1 A.C. magneto
3 Main switch
4 Fuse
5 Battery
9 C.D.I. unit
0 Ignition coil
A Spark plug
E Reverse switch
G Brake lever switch
L Engine stop switch
IGNITION SYSTEM

Related product manuals