EasyManua.ls Logo

Yamaha 3FA-AE2 - SIGNAL SYSTEM CIRCUIT DIAGRAM; Signal System Wiring

Yamaha 3FA-AE2
41 pages
Print Icon
To Next Page IconTo Next Page
To Next Page IconTo Next Page
To Previous Page IconTo Previous Page
To Previous Page IconTo Previous Page
Loading...
29
+
ELEC
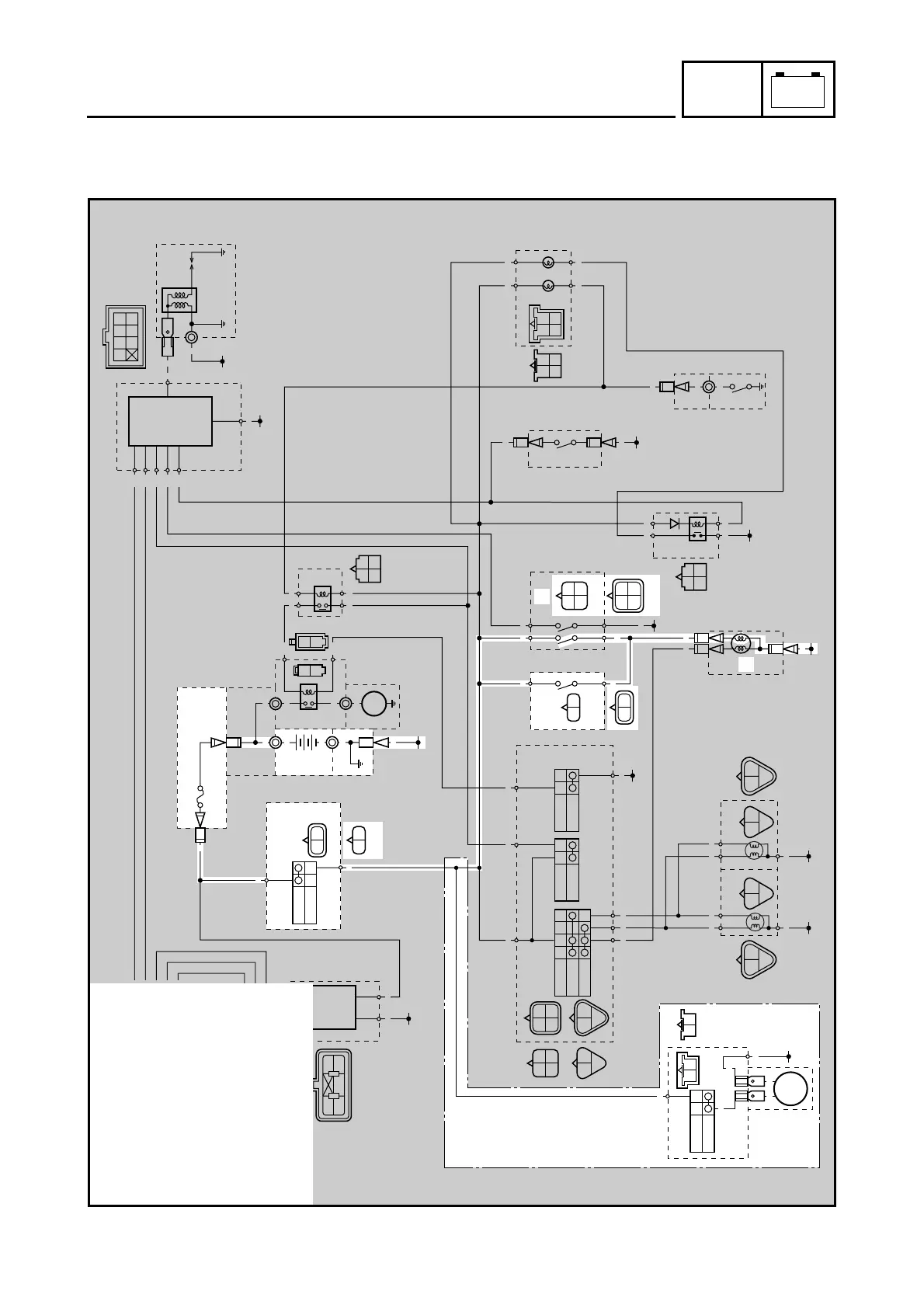
SIGNAL SYSTEM
EB806000
SIGNAL SYSTEM
CIRCUIT DIAGRAM
OFF
LO
HI
OFF
ON
OFF
PUSH
ON
OFF
R
W
W
W
W
R
W
G/W
R/B
G/Y
OO
R
R
Br
R/BBr
L
R/W
W W W
B R
LR/B
R/WBr
WR
(BLACK)
RW
(BLACK)
RBr
Br G/Y
YB
G/YBr
BY
B
(GRAY)
YBr
(GRAY)
(RED)
(GRAY)
BB
B
R
W
G/W
R/BB OG/Y
R/W
L/W
R/W
L/W
B
B
L/W
L/W Sb
R/B Br
R/W
B
B
R
R
R
R
B
B
GY
B
GY
B
YG
B
YG
B
YG
B
R/BL
Br R/W
GY
B
Br
B
Y
L Y
1
2
3
5
6
8
7
0
A
Br
Sb
F
H
G/Y
BrG/L
G/WB
G
I
K
J
È
LM
NN
OFF
ON
O
Br R
(GRAY)
4
BC
L
L
L
D
G/W
B
B
Br
Y
E
9
Sb L/W
Br R/B
G/WB
Br G/L
W
WW
W
WW
BR
WWW
(BLACK)
Y
Y G
G
B
Br
Br
B
P
Br
P
P B
B
B
Y
B B
G
Br
Br G/L
Sb
Sb
G/L
R/W
R/W
Br
G/L
3 Main switch
4 Fuse
5 Battery
G Brake lever switch
H Front brake light switch
I Tail/brake light
O Horn switch
P Horn
È For Europe

Related product manuals