EasyManua.ls Logo

Yamaha 90A - Page 127

Yamaha 90A
204 pages
Print Icon
To Next Page IconTo Next Page
To Next Page IconTo Next Page
To Previous Page IconTo Previous Page
To Previous Page IconTo Previous Page
Loading...
7-2
E
BRKT
BRACKET UNIT
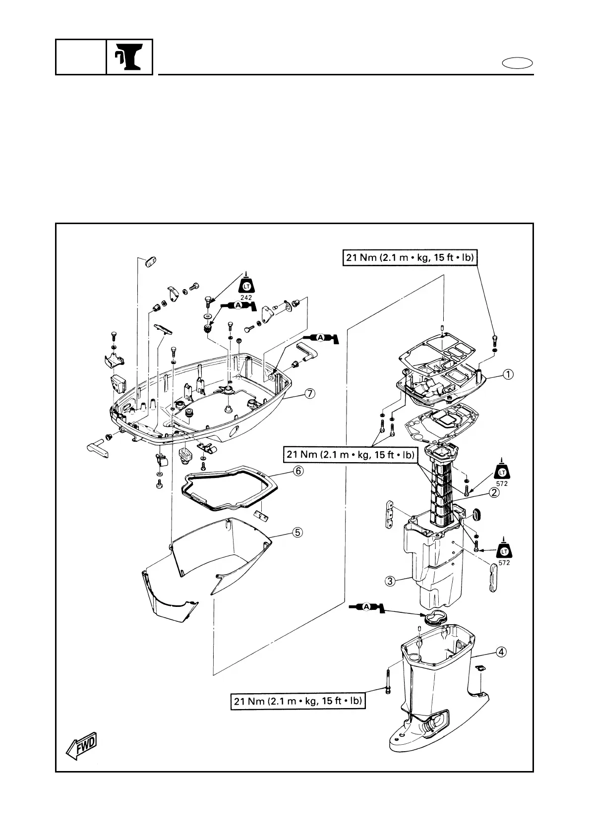
K15000-0
UPPER CASING
50, 60, 70 hp
1
Exhaust guide
2
Exhaust manifold
3
Muffler
4
Upper case
5
Apron
6
Seal
7
Bottom cowling

Table of Contents

Other manuals for Yamaha 90A

Related product manuals