EasyManua.ls Logo

Yamaha DSP-E492 - Page 40

Yamaha DSP-E492
55 pages
Print Icon
To Next Page IconTo Next Page
To Next Page IconTo Next Page
To Previous Page IconTo Previous Page
To Previous Page IconTo Previous Page
Loading...
40
2
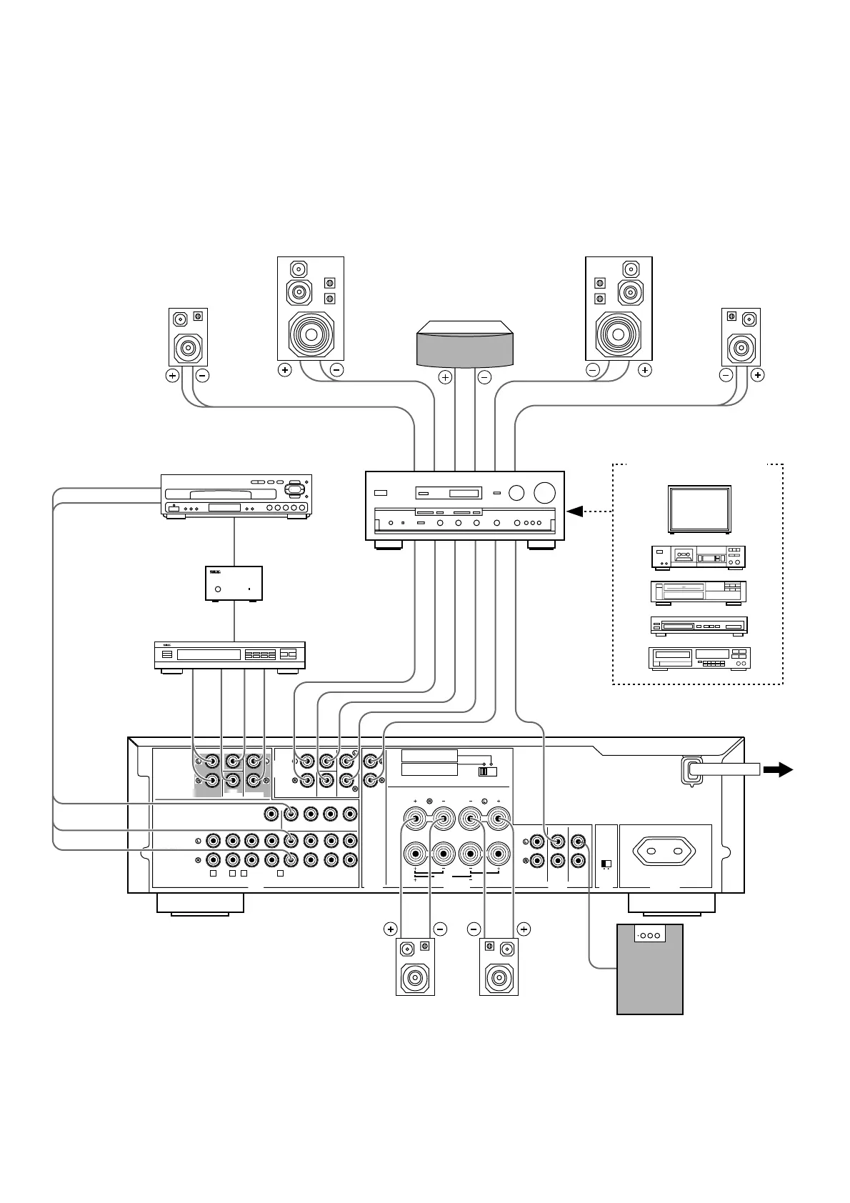
Branchement à votre amplificateur intégré ou votre récepteur actuels
ne pouvant pas recevoir de signaux avec le système numérique Dolby
(AC-3) décodé
(Ce schéma représente cet appareil raccordé au Yamaha DSP-A2070 qui est équipé du processeur de champ sonore
numérique, du décodeur d’effet ambiophonique Dolby Pro Logic et des amplificateurs entraînant sept enceintes.)
MONITOR
OUT
DVD/LD TV/DBS
IN OUT
VCR
VIDEO SIGNAL
CD
(LINE 1)
TAPE
( MD )
DVD/LD TV/DBS
VCR
TAPE
PB
REC
OUT
IN OUT
AUDIO SIGNAL
1
3 4
MAIN
TUNER
(LINE 2)
2
(SURROUND)
REARCENTERMAIN
SUB
WOOFER
INPUT
from
AMP/RECEIVER
PREOUT
MAINS
SPEAKERS
OUTPUT
INPUT OUTPUT
l0 dB 0 dB
l
MAIN
LEVEL
SINGLE:8MIN./SPEAKER
DUAL:4MIN./SPEAKER
8MIN./SPEAKER
CENTER
REAR
SINGLE:4MIN./SPEAKER
DUAL:2MIN./SPEAKER
6MIN./SPEAKER
CENTER
REAR
IMPEDANCE SELECTOR
REAR CENTER
SUB
WOOFER
DUAL
(SURROUND)
DUAL
CAUTION
SEE INSTRUCTION MANUAL FOR CORRECT SETTING.
DUAL DUAL
SINGLE
REAR
CENTER
I00W MAX.
SWITCHED
AC OUTLET
6CH DISCRETE
INPUT
REARCENTERMAIN
SUB
WOOFER
(SURROUND)
CENTER IN
MAIN IN
REAR OUT
CENTER OUT
LOW PASS
MAIN OUT
AUDIO OUT
VIDEO OUT
AC-3 RF OUT
AC-3 RF IN
Enceinte principale
Front effect speaker
Enceinte centrale
Enceintes arrière
Subwoofer de
Traitement
Front effect speaker
Enceinte principale
Décodeur numérique
Dolby (AC-3)
Démodulateur RF
(Modèle APD-1 de
YAMAHA, etc.)
Lecteur de disque laser, etc.
Amplificateur
ou récepteur
Vers une
prise CA
Equipement audio/vidéo
(Modèle pour l’Europe)
Gauche
Gauche
Droite
Droite
GaucheDroite
Remarques
Pour ce qui concerne le branchement aux bornes 6CH
DISCRETE INPUT de cet appareil, se reporter à la page 37.
Pour ce qui concerne le branchement des enceintes arrière
et du (des) subwoofer(s) à cet appareil, se reporter aux
pages 38 et 39.
Avec cette méthode de branchement, le sélecteur
PROCESSOR SELECTOR situé sur le panneau avant doit
normalement être mis sur la position “EXTERNAL”. Lorsqu’on
veut effectuer la lecture d’une source sur un lecteur de disque
laser, etc., (raccordé à cet appareil) avec le système
numérique Dolby (AC-3) décodé, mettre le sélecteur
PROCESSOR SELECTOR sur la position “INTERNAL”.

Related product manuals