EasyManua.ls Logo

Yamaha F200GET - SINGLE STATION W; 6 Y8 GAUGE TWIN ENGINE APPLICATION

Yamaha F200GET
329 pages
Print Icon
To Next Page IconTo Next Page
To Next Page IconTo Next Page
To Previous Page IconTo Previous Page
To Previous Page IconTo Previous Page
Loading...
7-24
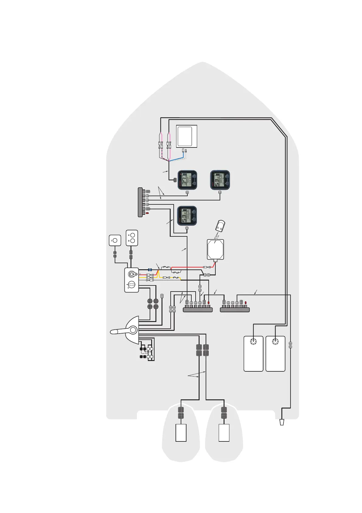
ECM
ECM
P
S
(*1) For previous digital electronic controlled engine
(*2) For 6Y9 network system
16
16
16
19
SPEED/FUEL
TAC H
TAC H
GPS
Fuel tank 2
(*2)
Fuel tank 1
13
1
32
(*1)
12
53
45
44
12
13
9
22
15
13
13
13
(GND)
(+)
NETWORK WIRING DIAGRAMS
SINGLE STATION W/ 6Y8 GAUGE TWIN ENGINE APPLICATION

Table of Contents

Related product manuals