EasyManua.ls Logo

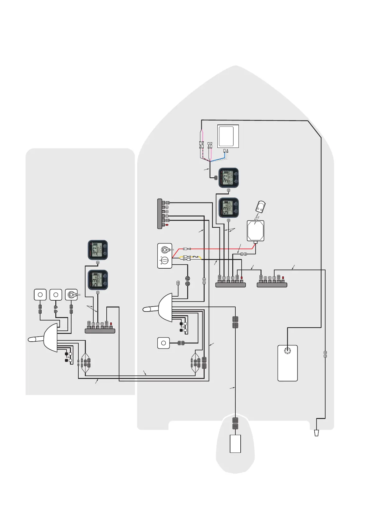
Yamaha F200GET - DUAL STATION W; 6 Y8 GAUGE SINGLE ENGINE APPLICATION

Yamaha F200GET
329 pages
Print Icon
To Next Page IconTo Next Page
To Next Page IconTo Next Page
To Previous Page IconTo Previous Page
To Previous Page IconTo Previous Page
Loading...
7-36
Fuel tank 1
GPS
31
(*1) For previous digital electronic
controlled engine
(*2) For 6Y9 network system
30
54
16
16
27
28
54
SPEED
TAC H
SPEED/FUEL
TAC H
16
ECM
1
19
(*2)
13
13
14
12
(*1)
41
42
(*1)
40
16
22
9
13
13
13
12
2nd station helm
Main station helm
(GND)
(+)
Not used
NETWORK WIRING DIAGRAMS
DUAL STATION W/ 6Y8 GAUGE SINGLE ENGINE APPLICATION

Table of Contents