EasyManua.ls Logo

Yamaha MX-D1 - Connections

Yamaha MX-D1
11 pages
Print Icon
To Next Page IconTo Next Page
To Next Page IconTo Next Page
To Previous Page IconTo Previous Page
To Previous Page IconTo Previous Page
Loading...
4
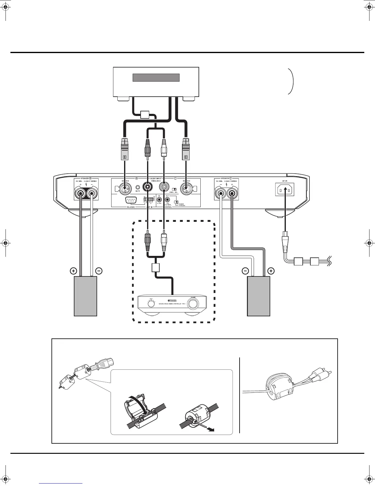
CONNECTIONS
• Pre-amplifier
• PA equipment etc.
• CD player with a volume control
Balanced XLR output
To AC outlet
Speaker (R)
Speaker (L)
Audio
output
Unbalanced RCA output
(U.S.A. and Canada models)
When connecting the YPC-1
Be sure to attach the clamp filters to the power cable and the audio pin cable as illustrated below.
1. Close the cover. 2. Fix the cable and
the clamp filter by
tightening the fixing
tie.
Power cable
Audio pin cable
(U.S.A. and Canada models)
01-MX-D1_GB_E.fm Page 4 Wednesday, October 22, 2003 3:28 PM

Related product manuals