EasyManua.ls Logo

Yamaha RDX-E700 - Schematic Diagram - Power Supply Unit

Yamaha RDX-E700
30 pages
Print Icon
To Next Page IconTo Next Page
To Next Page IconTo Next Page
To Previous Page IconTo Previous Page
To Previous Page IconTo Previous Page
Loading...
12345678
A
B
C
D
E
F
23
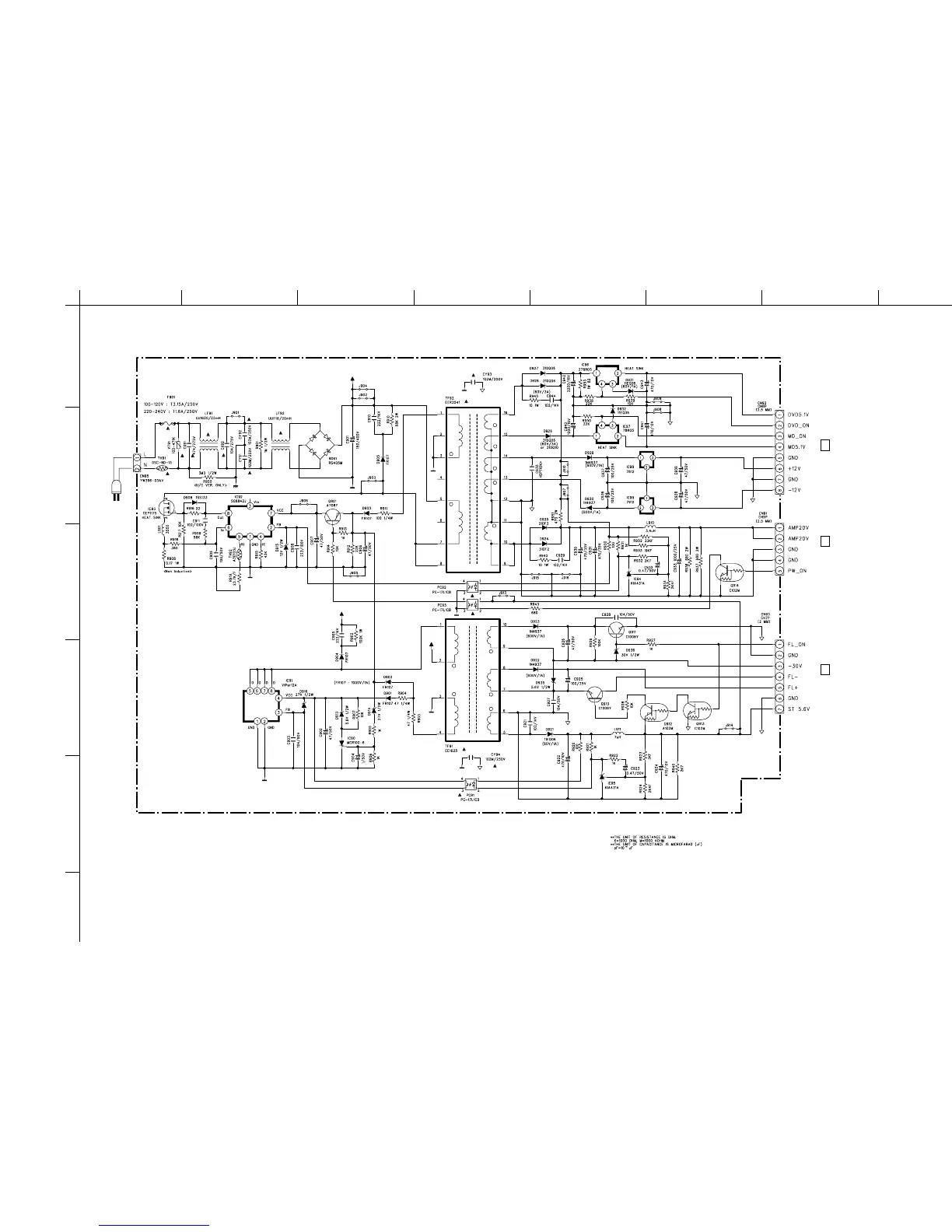
RDX-E700/NX-E700
SCHEMATIC DIAGRAM (POWER SUPPLY UNIT)
TO MAIN 1/2 CN92
Page 20 E-5
TO MAIN 2/2 CN91
Page 21 C-7
TO MAIN 1/2 CN93
Page 20 E-5
POWER
* Components having special characteristics are marked
Z
and
must be replaced with parts having specifications equal to
those originally installed.
* Schematic diagram is subject to change without notice.
* Z印のある部品は、安全性確保部品を示しています。部品の交換が必要な場合、
パーツリストに記載されている部品を使用してください。
* 本回路図は、標準回路図です。改良のため予告なく変更することがございます。
FOR INFORMATION ONLY (NO REPLACEMENT COMPONENT PARTS WILL BE AVAILABLE)

Other manuals for Yamaha RDX-E700

Related product manuals